EasyManua.ls Logo

Sharp LC-19LE320 - Page 185

Sharp LC-19LE320
367 pages
Print Icon
To Next Page IconTo Next Page
To Next Page IconTo Next Page
To Previous Page IconTo Previous Page
To Previous Page IconTo Previous Page
Loading...
2008-03-14
LC-19LE320, LC-22LE320, LC-26LE320, LC-32LE320, LC-37LE320, LC-42LE320
185
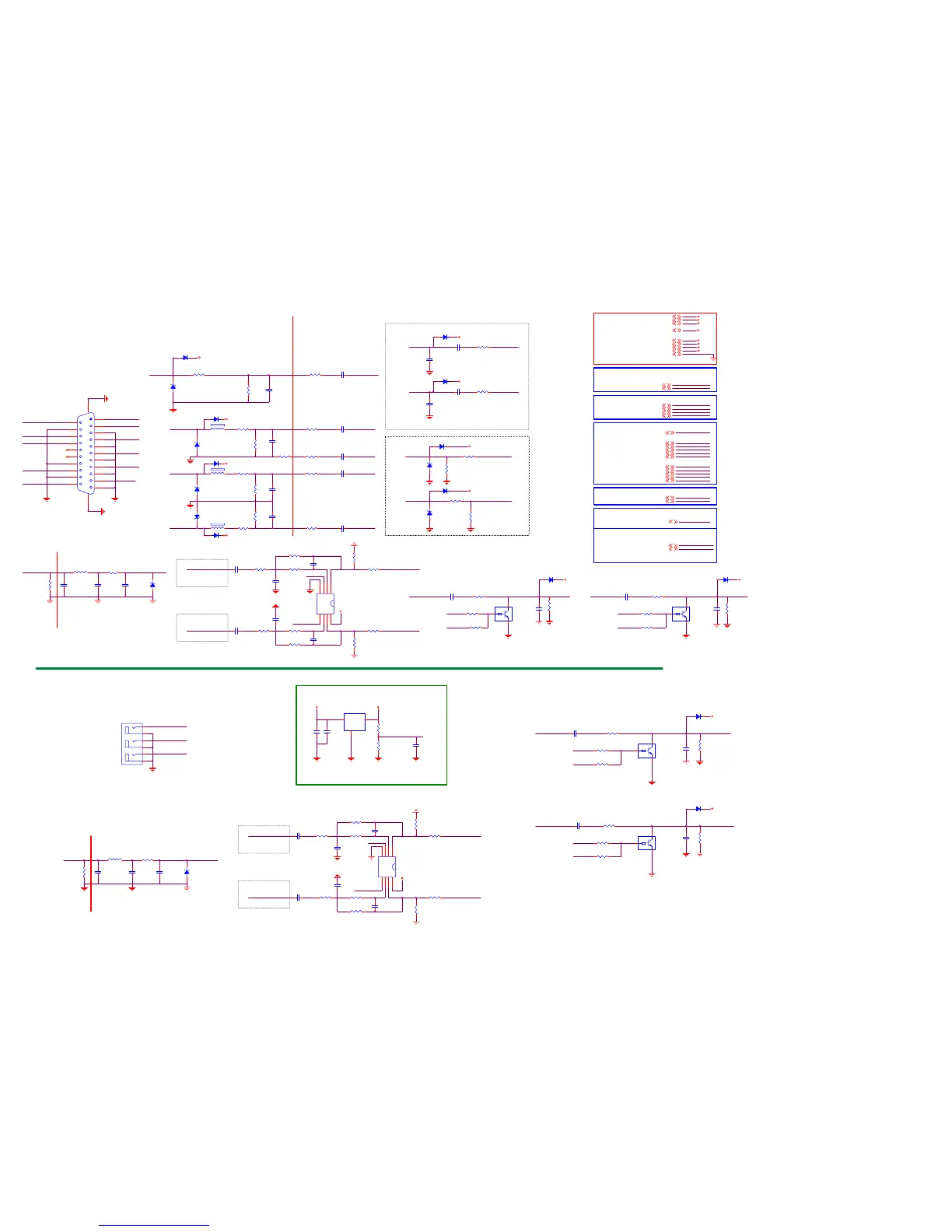
09. SCART/Monitor OUT
N
early MT5363
HP_SC_MUTE
OFF_MUTE
---><---|>
SCART1_RI GHT
SMD/0402
SCT1_AUR_OUT
SMD/0402
SMD/0402
Moniter_Out AV_OUT
Audio_Line_Out_R
Audio_Line_Out_L
AV_OUT
MONITOR OUT
SMD/0402
---><---|>
SCT1_R_ IN
Nearly I/O CONNECTOR
---><---|>
SMD/ 0402
SMD/0402
SMD/0402
SMD/0402
SMD/0402
---><---|>
SCT1_AUR_IN
SMD/0402
SMD/0402
SCT1_AV_OUT
SMD/0402
Moni tor _Out _R
SMD/0402
Monitor_LEFTMoni tor _Out _L
Close to MT5363
Close to MT5363
OPAVREF
SCART_FS0
Moni tor _RI GH T
OPAVREF
SMD/0402
SMD/0402
SMD/0402
Nearly I/O CONNECTOR
OPAVREF
SMD/0402
SMD/0402
SMD/0402
SMD/0402
HP_SC_MUTE
---><---|>
OFF_MUTE
Audio Mute Control
SMD/0402
SMD/0402
BP
Tuner_ByPass _Out
Moni ter _Out
Video Input
Monitor_LEF T
PR0P
GP
COM0
Y0P
RP
SOY 0
COM
SC1_CVBS_Y _IN
SOG
PB0P
OFF_MUTE
HP_SC_MUTE
---><---|>
Audio Input
SMD/0402
SCART1_L_In
SCAR T_FS0
SCART1_R_I n
Audio_Line_Out_R
SMD/0402
SMD/0402
Audio Output
Video Output
NEAR MT5363
SMD/0402
SMD/0402
SCART Interface
---><---|>
NEAR IO CONNECTOR
Moni tor _RI GH T
Moni tor _Out _R
Monitor_Out_L
SCART1_Out_R
SCART1_Out_L
SMD/0402
SMD/0402
SMD/0402
SMD/0402
SCART1_Out_R
SMD/0402
SMD/0402
SMD/0402
SMD/0402
Tuner_ByPass _Out
SMD/0402
SMD/0402
R1104
10K 1/10W
R1110
4.7K 1/10W
R1119
36K 1/10W 5%
R1102
0R05 1/16W
ZD1067
UDZSNP5.6B
1 2
C1089
10N 50V
R1061
75OHM1/ 16W
R1118
10K 1/10W
R1207
47K1/16W
ZD 1052
UDZSNP5.6B
1 2
C1091
2U2 16V
A
B
C
CN140
JACK
2
1
4
3
5
6
D1054
BAS316
A
1
K
2
D1051 BAS316
A
1
K
2
R1103
10K 1/10W
C1059
10U 10V
C1054
15PF50V
R1133
0R05 1/10W
L1051 1.8uH
D1064
BAS316
A
1
K
2
R1079
0R05 1/16W
FB1054
80 OHM
1 2
SMD/ 0402
R1078
0R05 1/16W
C1085
47pF 50V
D1063
BAS316
A
1
K
2
C1060
10U 10V
R1099
75OHM1/16 W
R1082
10K1/10W
R1101
75OHM1/16 W
C1194
10N 50V
L1050 1.8uH
R1203
47K1/16W
R1088
330 OHM 1/10W
R1111
36K 1/10W 5%
SCT1_AV_IN
R1126
0R05 1/16W
D1172
BAS316
A
1
K
2
FB1052
80 OHM
1 2
D1056 BAS316
A
1
K
2
R1138
75OHM 1/16W
R1063 68OHM 1/16W
C1056
15PF50V
ZD 1051
RLZ13B
1 2
C1092
100P 50V
R1115
0R05 1/10W
R1083
1K 1/10W 5%
ZD1063
UDZ SNP5.6B
1 2
R1208
330 OHM 1/10W
R1087
47K1/16W
R1206
0R05 1/16W
R1108
0R05 1/16W
D1052 BAS316
A
1
K
2
R1067
30KOHM 1/16W +/-5%
C1088
10U 10V
R1117
0R05 1/10W
C1079
10N 50V
R1202
0R05 1/16W
D1050 BAS316
A
1
K
2
U107
RC4580IPWR
1OUT
1
1IN-
2
1IN +
3
VCC-
4
2IN+
5
2IN-
6
2OUT
7
VCC+
8
C1057
15PF50V
R1209
1K 1/16W 5%
R1114
4.7K1/16W
D1057 BAS316
A
1
K
2
D1060 BAS316
A
1
K
2
C1068
10N 50V
R1131
51K 1/16W 5%
ZD1066
UDZSNP5.6B
1 2
SMD/0402
C1102
820pF 50 V
R1100
0R05 1/16W
U108
AS78L12RTR-G1
IN
3
OUT
1
GND
2
R1064
68OHM 1/16W
R1204
330 OHM 1/10W
U106
RC4580IPWR
1OUT
1
1IN-
2
1IN +
3
VCC-
4
2IN+
5
2IN-
6
2OUT
7
VCC+
8
C1094
100P 50V
C1103
820pF 50 V
ZD1065
UDZSNP5.6B
1 2
C1058 10N 50V
R1073
100OHM1/16W
R1137
100OHM1/16W
R1
Q1050
DTC623TK
2
31
C1065
47N 16V
ZD1064
UDZ SNP5.6B
1 2
R1121
10K1/10W
C1086
47pF 50V
C1193
10N 50V
C1074
820pF 50V
D1173
BAS316
A
1
K
2
R1084
47K1/16W
SMD/0402
R1135
68OHM 1/16W
C1100
100P 50V
C1165
10U 10V
C1097
2U2 16V
C1055
10N 50V
C1098
4U7 16V
C1095
10uF 25V
C1078
10N 50V
R1129
75 OHM 1/10W
R1112
36K 1/10W 5%
C1090
10N 50V
FB1053
80 OHM
1 2
Audio_Line_O ut_L
R1071
0R05 1/16W
R1065
30KOHM 1/16W +/-5%
R1
Q1151
DTC623TK
2
31
R1086
0R05 1/10W
C1168
10U 10V
R1060
75OHM1/ 16W
R1127
0R05 1/ 10W
R1205
1K 1/16W 5%
C1064
47pF 50V
D1061 BAS316
A
1
K
2
ZD1068
UDZSNP5.6B
12
C1087
NC/47pF 50V
SCART1_LEFT
C1096
2U2 16V
C1073
820pF 50V
R1134
10K1/16W
C1084
NC/47pF 50V
SCARTCN151
1
2
3
4
5
6
7
8
9
10
11
12
13
14
15
16
17
18
19
20
21
2223
R1062
75OHM1/16W
R1122
0R05 1/10W
R1081
0R05 1/10W
R1106
0R05 1/10W
C1053
10N 50V
C1082
47pF 50V
R1109
4.7K1/16W
R1116
4.7K 1/10W
R1080
0R05 1/16W
R1
Q1051
DTC623TK
2
31
C1101
100N 50V
R1072
0R05 1/16W
R1089
1K 1/10W 5%
R1107
10K 1/10W
SMD/0402
R1085
330 OHM 1/10 W
R1113
0R05 1/ 10W
C1077
10U 10V
C1099
100P 50V
C1093
2U2 16V
R1105
36K 1/10W 5%
R1
Q1152
DTC623TK
2
31
C1083
47pF 50V
SMD/0402
SMD/0402
SMD/0402
SMD/0402
+5V_SW
+24V_16V
DV11
+5V_SW
AV33
DV33
DV33SB
+5V_STB
AV12
+12V
+5V_SW
+5V_SW
+5V_SW
+5V_SW
SMD/ 0402 SMD/0402 SM D/0402
+5V_SW
+5V_SW
+5V_SW
+5V_SW
-------><-------
+12V
+12V
+12V+24V_16V
SMD/0402
+5V_SW
+5V_SW
DV114,7
AV125,7,8,9, 14,16
AV334, 8,14,16
DV334,5,6,7,8, 10,11,14, 15,16
+24V_16V4,15
+5V_STB4,5,8, 10,15
GND4,5,6,7, 8,9,10, 11,13,14, 15,16
SC1_CVBS_Y _IN8
DV33SB5,10,13, 14,15,16
+5V_SW4,8,10,11, 13,14,15,16
PB0P8
Y0P8
SOY08
BP8,13
PR0P8
COM08
RP8, 13
COM8,13
GP8,13
SOG8,13
SCAR T1_L_In8
Moni ter _Out8
Tuner_ByPass _Out8
SCART1_Out_R8
SCART_FS010
SCART1_R_In8
SCT1_AUL_IN
Moni tor _Out _L8
Moni tor _Out _R8
SCART1_Out_L8
HP_SC_MUTE15
OFF_MUTE15
-------><--------------><-------
SCT1_FB _IN
SMD/0402
Nearly MT5363
SMD/0402
SMD/0402
HP_SC_MUTE
OFF_MUTE
SMD/0402
SMD/0402
HP_SC_MUTE
SCART1_LEFT
OFF_MUTE
---><---|>
SMD/0402
SMD/0402
SCT1_AUL_OUT
SMD/0402
SCT1_AV_OUT
SCT1_FS_IN
SCART1 AUDIO IN
Full SCART
---><---|>
SMD/0402
---><---|>
SCT1_R_IN
SCT1_FB _IN
SCT1_G_IN
SCART1_Out_L
SCT1_FS _IN
SCT1_AUL _OUT
SCT1_B_IN
SCT1_AV_IN
SCT1_AUL _IN
SCT1_AV1_GND
SCT1_AUR_IN
SCT1_AUR_OUT
SCT1_AVO_GND
SCT1_B_I N
Close to MT5363
Close to MT5363
SCART1_R_In
SCART1_L_In
SC1_C VBS_Y_I N
SOY0
Y0P
COM0
PB0P
PR0P
OPAVREF
SMD/0402
SCART1_RIGH T
OPAVREF
---><---|>
SCT1_G_I N

Related product manuals