EasyManua.ls Logo

Sharp LC-19LE510K

Sharp LC-19LE510K
132 pages
To Next Page IconTo Next Page
To Next Page IconTo Next Page
To Previous Page IconTo Previous Page
To Previous Page IconTo Previous Page
Loading...
48
LC-19LE510
LC-22LE510
LC-24LE510
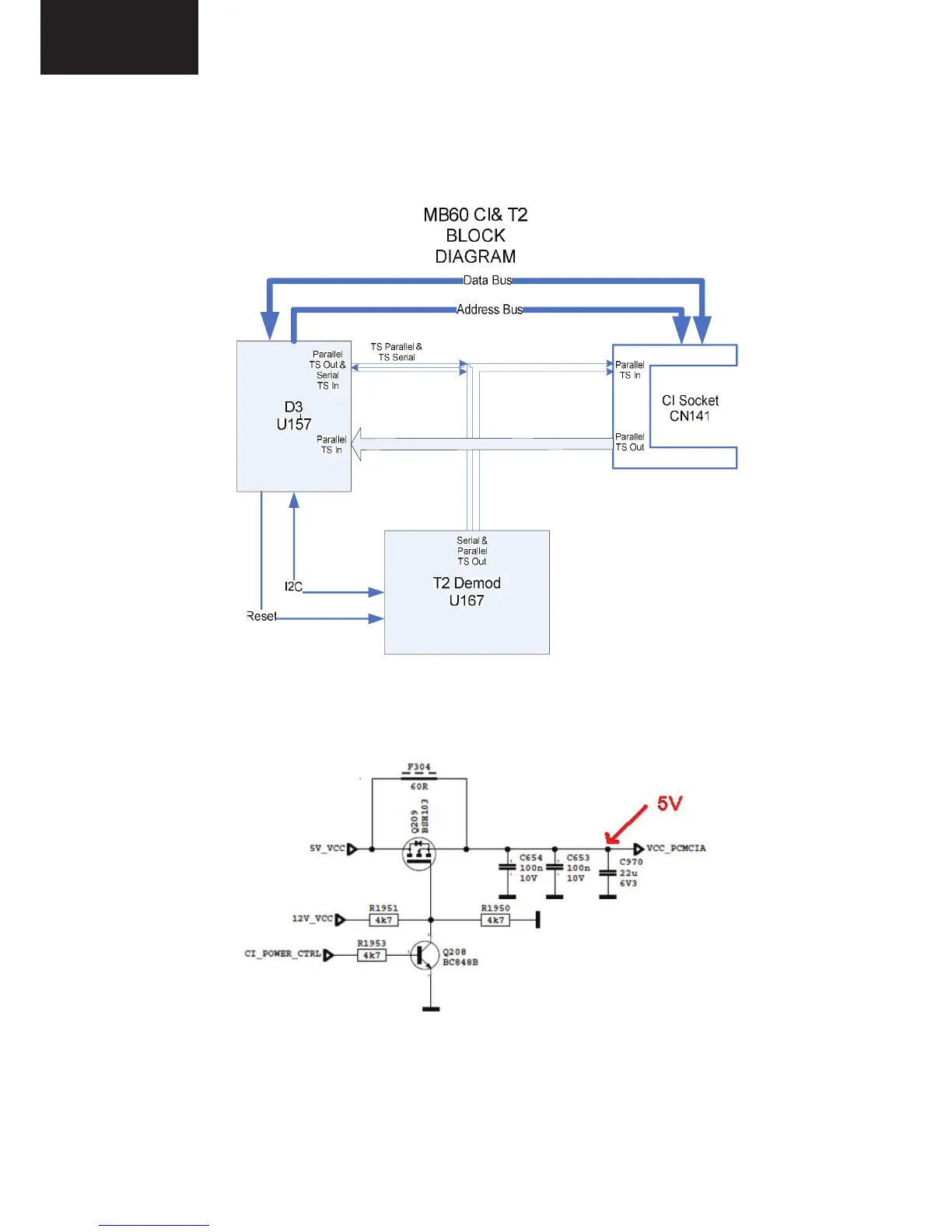
9. CI INTERFACE
9.1 Block Diagram
9.2 CI Interface Power Switch
It is used for CI module supply, when Module is inserted (it means CI detect is low) This circuit is opened or
closed by CI_POWER_CTRL port of main μController

Table of Contents

Other manuals for Sharp LC-19LE510K

Related product manuals