EasyManua.ls Logo

Sharp LC-20B4M - Page 25

Sharp LC-20B4M
82 pages
Print Icon
To Next Page IconTo Next Page
To Next Page IconTo Next Page
To Previous Page IconTo Previous Page
To Previous Page IconTo Previous Page
Loading...
25
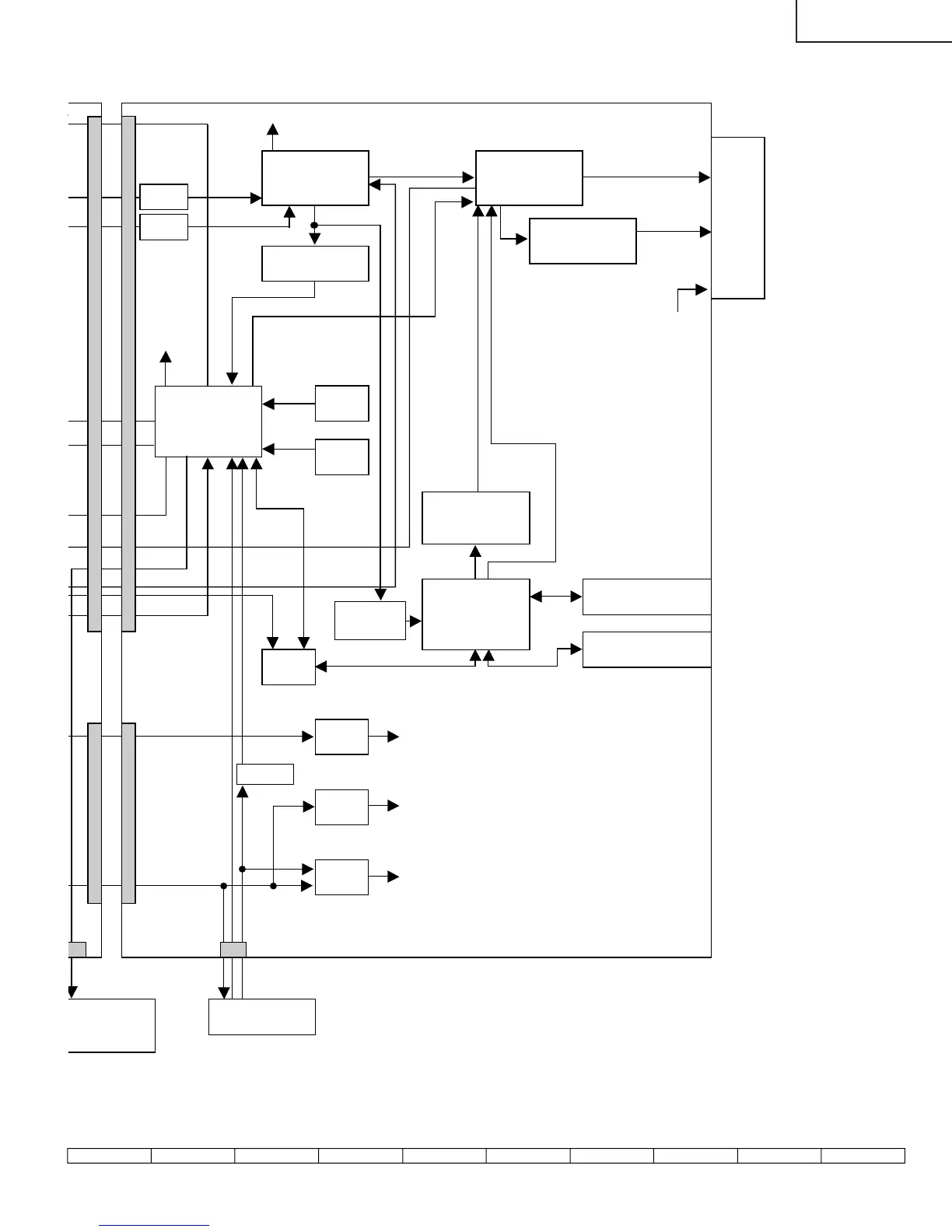
LC-20B4M
1716 1918151413121110
I2C
LCD
R0~7,G0~7,B0~7 PANEL
V0,V7,V21
V64,V112
V176 ,V235
V2V0
V255
VCOM
CSCOM
CSYNC
OSD R/G/B
VLS,VGL,VEE
I2C GSP1,VSH
GBLR,GCK
POWER
E
2
PROM
GSP2
IC2010
TX_FB
RESET
IC2006
RXD,TXD
1
SWITCH
RX_TX,TX_RX
IC2003
3.3V REG
3.3V
IC705
3.3V REG
3.3V
IC707
5V REG 5V
IC2004
SW UNITREMOTE
CONTROL
RECEIVER
IC1611
IC1601 FLASH 4M
TELETEXT SRAM 2M
CPU IC1612
Q1602,Q1604,Q1606
TEXT R/G/B
AMP
MICON
IC2001
SYNC SEP IC1101
IC802
GRADATION
POWER
(VPC
)
IC801 IC1201
(DPS)
VIDEO
LCD
DECODER CONTROLLER
REV
SC2002
03
P35 02
P701
P2001
KEY1
KEY2
POW1 POW2
VIDEO SW
IC1604
TEXT
R/G/B
Q2002
FILTER
FL801
FILTER
FL802

Related product manuals