EasyManua.ls Logo

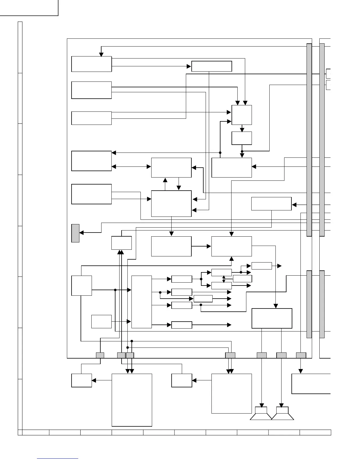
Sharp LC-20B4M - Block Diagram

Sharp LC-20B4M
82 pages
Print Icon
To Next Page IconTo Next Page
To Next Page IconTo Next Page
To Previous Page IconTo Previous Page
To Previous Page IconTo Previous Page
Loading...
24
LC-20B4M
87109654321
A
B
C
D
E
F
G
H
BLOCK DIAGRAM
AGC,AFT,SAW_SW,MODE 1,MODE 2
TV_V
SIF
V1 _V
AV1 _L,R
SY VIDEO
SC SWITCH V_IN
IC3401
AMP
IC3502
V2_V IN/OUT
SSTBY
AV2_L,R IN/OUT V_IN/OUT
Y,PB,PR
S_IN/OUT
DL,DR
OFL1
OFL
L_ERR
LAMP
CHECK
Q3705 17V
Q3707 23V
DC IN DC/DC 34V
SIG.VCC Q3708 32V
DC13V T3701 9V 9V
8V
5V 5V
PWM
IC3701 -11V -11V
6LAMPS 4LAMPS
(UP) (DOWN)
T6702, T6703 T6708, T6709
Q6706, Q6707
T6704, T6705
T6700, T6701 T6706, T6707
Q6703, Q6704 Q6712, Q6713
REMOTE
CONTROL
Q6700,Q6701 Q6709, Q6710 RECEIVER
HEADPHONE
JACK
J3303
INVERTER A UNIT NVERTER B UNIT
FILTER POWER AMP
IC3301
~
IC3303 IC3305
AUDIO SOUND
IC3304
DECODER
(MSP)
OFL REVERSE
Q3601
COMPONENT
INPUT AUDIO
SWITCH SWITCH
IC3501,Q3501 Q3502-Q3505
INPUT
AV2
INPUT/OUTPUT AUDIO IN/OUT VIDEO IN/OUT
S-VIDEO
AV1
INPUT
Q3201 ,Q3202
TUNER
TU3201
SIF AMP
AV2_R,L
SC1_OUT_R,L
INV VCC
PA VCC
SP-L
SP-R
Q3709
IC3702
S
C
SC3403
P35 02P3302P3301P3603
P3604
P3601
P
P3701
P3501
RXD,TXD
P3602
F
F
F
F

Related product manuals