EasyManua.ls Logo

Sharp LC-20B4M - Page 46

Sharp LC-20B4M
82 pages
Print Icon
To Next Page IconTo Next Page
To Next Page IconTo Next Page
To Previous Page IconTo Previous Page
To Previous Page IconTo Previous Page
Loading...
46
LC-20B4M
87109654321
A
B
C
D
E
F
G
H
Ë
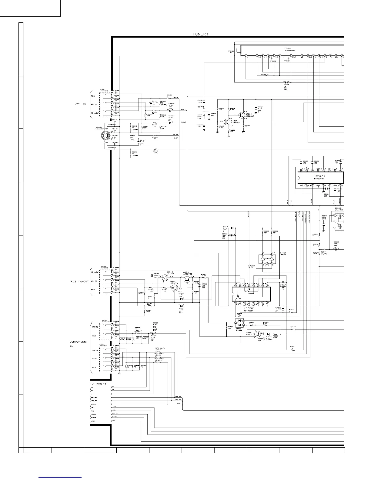
TUNER Unit-1/4 (LC-20B4M(X))

Related product manuals