EasyManua.ls Logo

Sharp LC-24LE510K

Sharp LC-24LE510K
132 pages
To Next Page IconTo Next Page
To Next Page IconTo Next Page
To Previous Page IconTo Previous Page
To Previous Page IconTo Previous Page
Loading...
39
LC-19LE510
LC-22LE510
LC-24LE510
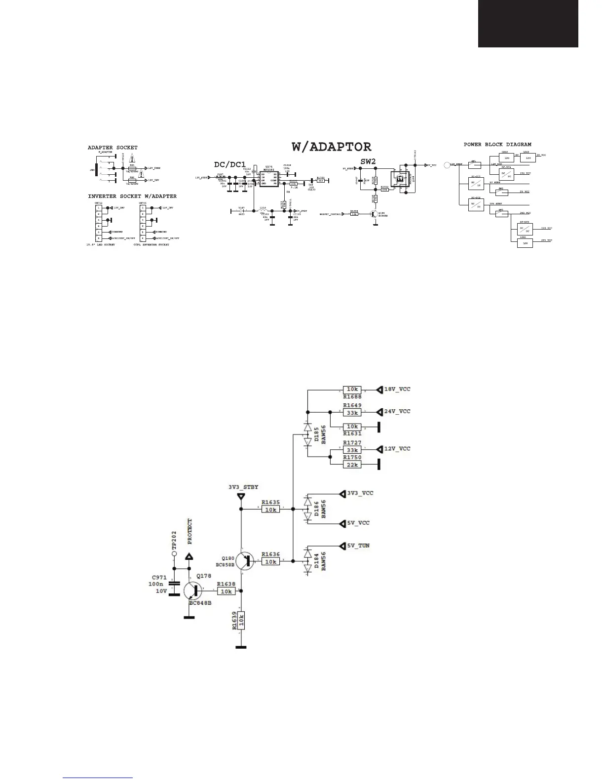
For adopter case also below blocks are necessary.
7.1. Short CCT Protection Circuit
Short circuit protection is necessary for protecting chassis and main IC against damages when any Vcc
supply shorts to ground. Protect pin should be logic high while normal operation. When there is a short
circuit protect pin should be logic low. After any short detection, SW forces LEDs on LED card to blink.

Table of Contents

Other manuals for Sharp LC-24LE510K

Related product manuals