EasyManua.ls Logo

Sharp LC-26S7E-BK - Page 55

Sharp LC-26S7E-BK
193 pages
Print Icon
To Next Page IconTo Next Page
To Next Page IconTo Next Page
To Previous Page IconTo Previous Page
To Previous Page IconTo Previous Page
Loading...
2008-03-14
LC-19S7E-BK LC-26S7E-BK LC-32S7E-BK
55
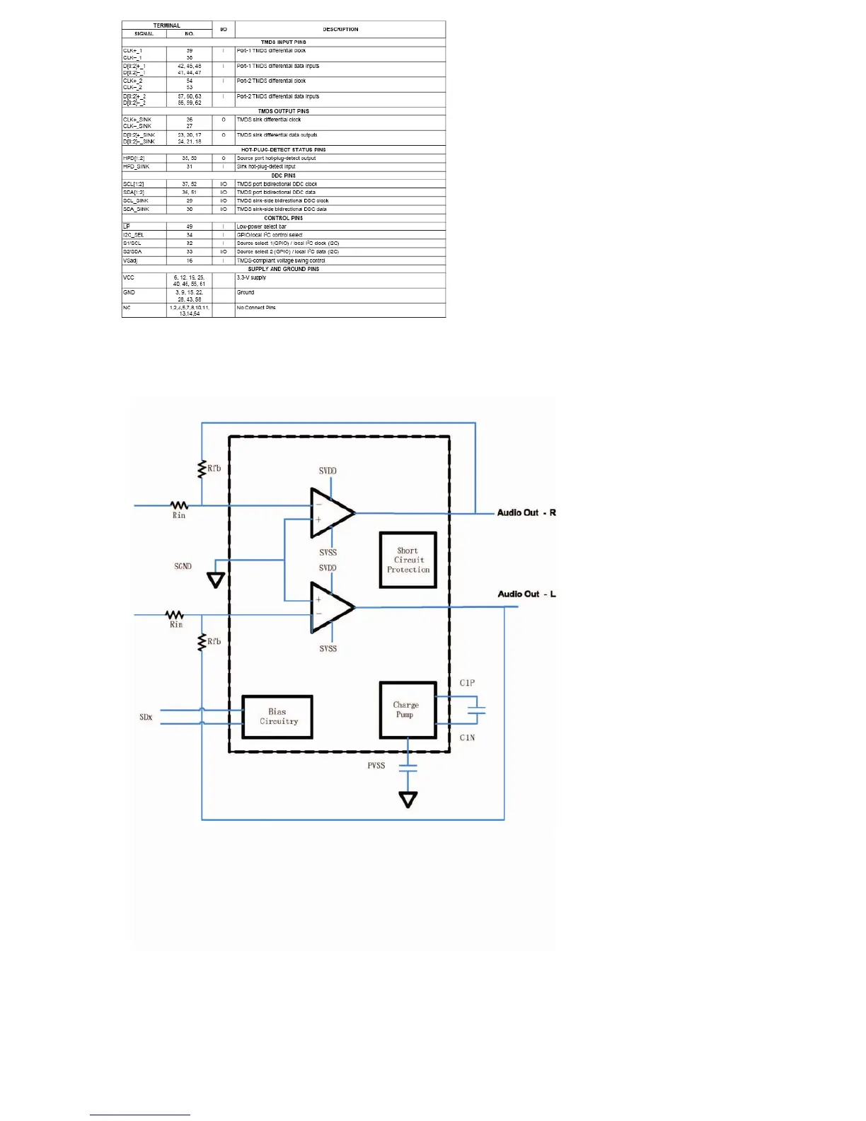
2.4. U1901,U1201,U6101,U6103 (DRV601RTJR)
2.4.1 Function Block Diagram
2.4.2 Pin Connections and short description

Related product manuals