EasyManua.ls Logo

Sharp LC-26SH12U - POWER BLOCK DIAG

Sharp LC-26SH12U
64 pages
Print Icon
To Next Page IconTo Next Page
To Next Page IconTo Next Page
To Previous Page IconTo Previous Page
To Previous Page IconTo Previous Page
Loading...
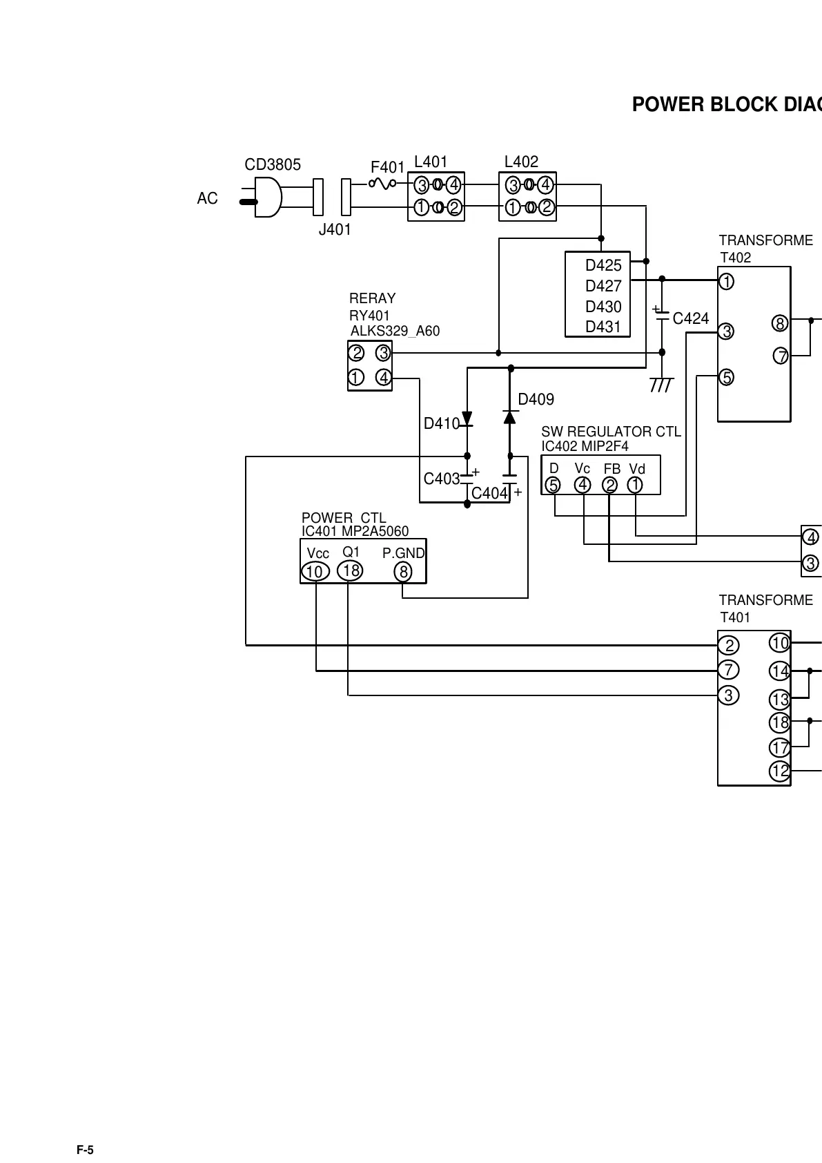
POWER BLOCK DIAGRAM
4
3
2
1
CP411__8,9. SW+12V
CP411__1,2. SOUND+B
Q416
CP411__14,15. AT+5V
CP411__16. POWER FAIL
F401
L401
D410
SW REGULATOR CTL
IC402 MIP2F4
D
Vc
c
FB
TRANSFORME
T402
FEED BACK
IC410
PS2561AL1-1-V(W)
REGULATOR
IC404 KIA431A-AT
C424
5
4
2
1
3
5
8
7
1
3
1
4
3
2
AC
CD3805
J401
4
3
2
1
L402
D425
D427
D430
D431
1
Vd
d
RERAY
RY401
ALKS329_A60
3
2
1
4
D409
+
+
+
POWER CTL
Vcc
Q1
10
18
8
P.GND
C403
C404
TRANSFORME
T401
2
3
10
7
13
14
18
17
12
CP406__1,2,3,4,5. +24V
Q410
CP411__22,23. SW+1.5V
REGULATOR
IC405
PQ070XF02SZH
1
2
CP411__20,21. SW+4V
DC/DC(5V)
IC407 LA5779
1
2
CP11_10 LCD+B
IC401 MP2A5060
F-5 F-6
All manuals and user guides at all-guides.com

Related product manuals