EasyManua.ls Logo

Sharp LC-26SH12U - Page 38

Sharp LC-26SH12U
64 pages
Print Icon
To Next Page IconTo Next Page
To Next Page IconTo Next Page
To Previous Page IconTo Previous Page
To Previous Page IconTo Previous Page
Loading...
ABC D E F GH
ABC D E F GH
2
1
3
4
5
6
7
8
2
1
3
4
5
6
7
8
S802Y
S801X
Q3408
KRC102SRTK
SW
Q3407
KRC102SRTK
LCD+B_SW
Q3401
KRC103SRTK
SW
SH3405
YQ-36
SH3404
YQ-36
SH3403
YQ-36
SH3402
YQ-36
SH3401
YQ-36
CP3401
127301123K2
1
10
11
12
13
14
15
16
17
18
19
2
20
21
22
23
3
4
5
6
7
8
9
Q3410
RSQ035P03
LCD+B_SW IC
123
456
Q3406
2SB1132
SW
Q3402
2SB1132
SW
IC3403 BD3504FVM
SW
1234
5678
Q3405
RSS065N03FL16TB
REGULATER IC
1234
5678
IC3405 BD7820FP
REG+1.8V IC
12 456
IC3402 BD7820FP
REG+2.5V IC
12 456
IC3401 PQ035ZN1HZPH
REG+3.3V IC
12 456
IC3404 BA00BC0WFP
REG+9V IC
12 456
IC3408 BD7820FP
1.8V_REG IC
12 456
CAUTION: DIGITAL TRANSISTOR
C3436
2206.3V SJV
C3446
2206.3V SJV
C3451
2206.3V SJV
C3401
1006.3V V-S
C3412
4716V SJV
C3414
4716V SJV
DANS LA NOMENCLATURE DES PIECES
N’UTILISER QUE CELLS DECRITES
DANGEREUSES AN POINT DE VUE SECURITE
:LES PIECES REPAREES PAR UN ETANT
ATTENTION
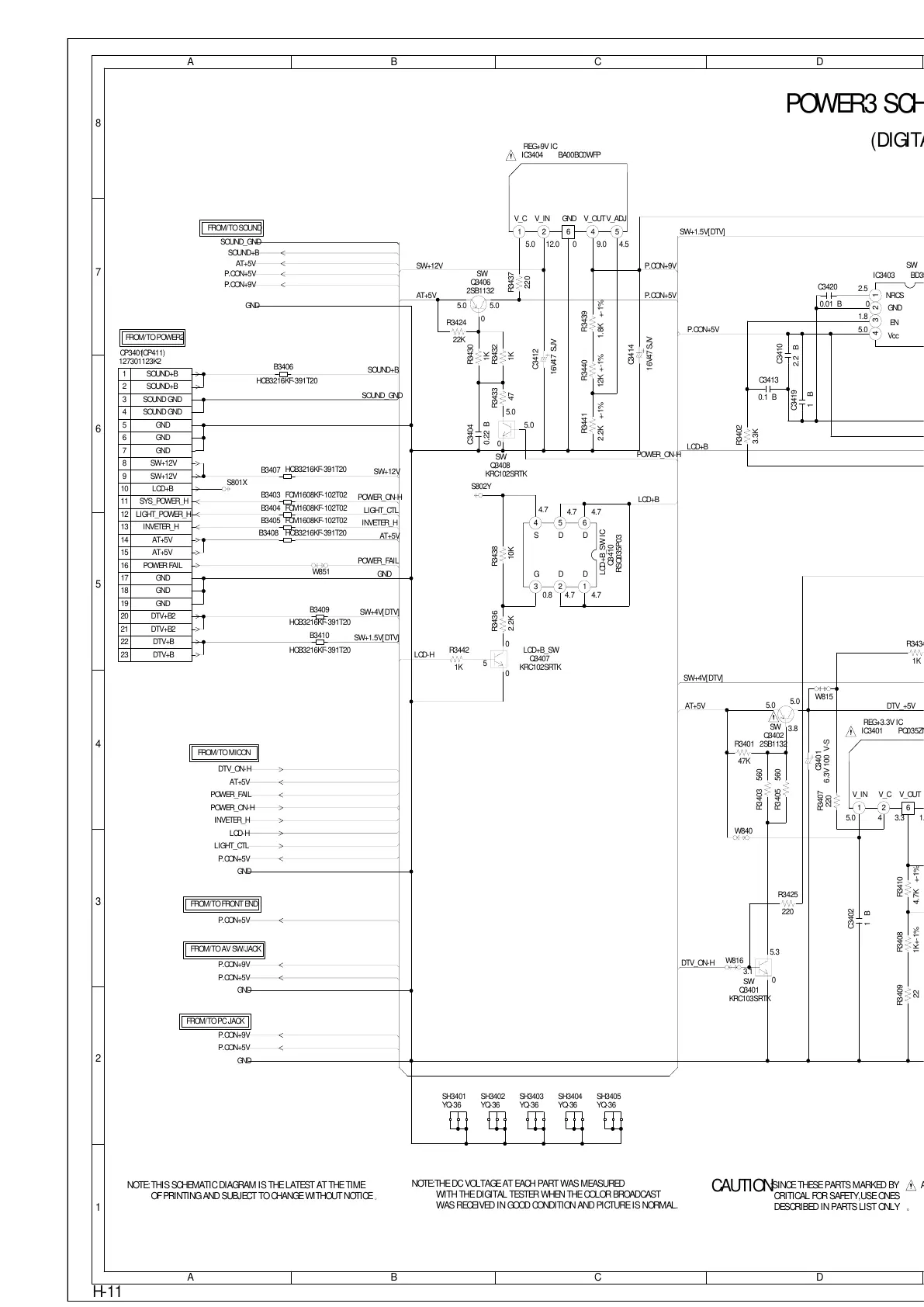
:SINCE THESE PARTS MARKED BY
CAUTION
DESCRIBED IN PARTS LIST ONLY
CRITICAL FOR SAFETY,USE ONES
ARE
D3406
EC31QS04
D3403
EC11FS2-TE12L
C3433
1502V CD
OF PRINTING AND SUBJECT TO CHANGE WITHOUT NOTICE
NOTE:THIS SCHEMATIC DIAGRAM IS THE LATEST AT THE TIME
WAS RECEIVED IN GOOD CONDITION AND PICTURE IS NORMAL.
WITH THE DIGITAL TESTER WHEN THE COLOR BROADCAST
NOTE:THE DC VOLTAGE AT EACH PART WAS MEASURED
W851
W815
W840
W816
B3410
HCB3216KF-391T20
B3408 HCB3216KF-391T20
B3402
HCB3216KF-391T20
B3409
HCB3216KF-391T20
B3406
HCB3216KF-391T20
B3405 FCM1608KF-102T02
B3404 FCM1608KF-102T02
B3403 FCM1608KF-102T02
B3407
HCB3216KF-391T20
R3420
560 +-1%
R3421
4.7K +-1%
R3411
3.9K +-1%
R3415
3.9K
+-1%
R3406
3.3K
+-1%
R3410
4.7K +-1%
R3408
1K+-1%
R3416
2.7K
R3423
3.3K
R3440
12K +-1%
R3441
2.2K +-1%
R3433
47
R3438
10K
R3448
680 +-1%
R3447
1K +-1%
R3446
10 +-1%
R3435
4.7K
R3434
1K
R3401
47K
R3405 560
R3403 560
R3427
150 +-1%
R3437
220
R3407
220
R3425
220
R3402
3.3K
R3430
1K
R3432
1K
R3424
22K
R3439
1.8K +-1%
R3409
22
R3422
2.2K
+-1%
R3429
680+-1%
R3428
820 +-1%
R3436
2.2K
R3442
1K
R3412
390
+-1%
R3413
2.2K
+-1%
R3418
220
C3437
10 B
C3427
22 B
C3426
22 B
C3402
1B
C3409
10 B
C3434 10 B
C3448
0.1 B
C3449
2.2 B
C3450 10 B
C3404
0.22 B
C3410
2.2 B
C3413
0.1 B
C3422
2.2 B
C3417
0.22 B
C3447
0.1 B
C3424
10 B
C3430
0.1 B
C3425
2.2 B
C3419
1B
C3420
0.01 B
C3423
0.022 B
C3421
22 B
C3428
22 B
P.CON+9V
SW+1.5V[DTV]
SOUND_GND
SOUND+B
AT+5V
SW+12V P.CON+9V
P.CON+5V
VDDC_1.0V
P.CON+9V
P.CON+5V
AT+5V P.CON+5V
HDMI_+1.8V
GND
GND
+3.3V
P.CON+5V
GND
SOUND+B
VDDC_1.0V
+3.3V
SOUND_GND
+2.5V_IO
LCD+B
LCD+B
POWER_ON-H
GND
SW+12V
+3.3V
POWER_ON-H
LCD+B
LIGHT_CTL
INVETER_H
AT+5V
GND
DTV_+5V
POWER_FAIL
+3.3V
GND
SW+4V[DTV]
+3.3V
SW+1.5V[DTV]
GND
LCD-H
+2.5V_IO
SW+4V[DTV]
AT+5V DTV_+5V DTV_+5V
+3.3V
+2.5V_IO
GND
DTV_ON-H
AT+5V
POWER_FAIL
POWER_ON-H
INVETER_H
LCD-H
LIGHT_CTL
GND
P.CON+5V
+3.3V
+3.3V
GND
+2.5V_IO
+2.5V_IO
MEM[1.8V]
P.CON+5V
P.CON+9V
DTV_ON-H
P.CON+5V
GND
+2.5V_IO
+3.3V
P.CON+9V VDDC_1.0V
P.CON+5V MEM[1.8V]
GND GND
H-12
H-11
PCBDH0
CEF276
(DIGITAL PCB)
POWER3 SCHEMATIC DIAGRAM
4.74.7
4.7
4.7 4.7
0.8
0
0
5
LCD+B
FROM/TO MICON
5.0
FROM/TO FLASH
1.83.2
01.33.3
5.0
5.0
FROM/TO AV OUT
VadjVoutGNDVinV_CVadjVoutGNDVinV_C
4
V_IN V_C V_OUT V_ADJ GND
GNDV_C V_IN V_OUT V_ADJ
POWER FAIL
GND
GND
GND
AT+5V
AT+5V
INVETER_H
GND
SOUND GND
SOUND GND
SOUND+B
SOUND+B
2.8
V_C V_IN GND V_OUT V_ADJ
2.8 0 1.9 0.7
SW+12V
SW+12V
GND
GND
FROM/TO POWER2
FROM/TO SOUND
FROM/TO FRONT END
FROM/TO VIDEO AD CONVERTER
FROM/TO LVDS
FROM/TO ASIC
FROM/TO INTERFACE_HDMI IC
FROM/TO AV OUT
DTV+B
DTV+B
DTV+B2
DTV+B2
(CP411)
FROM/TO PC JACK
FROM/TO SDRAM
5.3
0
3.1
FROM/TO AV SW/JACK
FROM/TO FRONT END
05.0 12.0 9.0 4.5
5.0 5.0
0
VFB
VS
G
VD
Vcc
EN
GND
NRCS
2.5
0
1.8
5.0 0.3
1.0
1.0
0.8
G
S
S
S
S
D
D
D
1.5
1.5
1.5
1.5
1.0
1.0
1.0
1.0
5.0
5.0
3.8
3.2 4.0 0 2.5 1.3 4.0 0 1.3
SYS_POWER_H
LIGHT_POWER_H
0
DD
DD
G
S
All manuals and user guides at all-guides.com

Related product manuals