EasyManua.ls Logo

Sharp LC-26SH12U - Page 46

Sharp LC-26SH12U
64 pages
Print Icon
To Next Page IconTo Next Page
To Next Page IconTo Next Page
To Previous Page IconTo Previous Page
To Previous Page IconTo Previous Page
Loading...
ABC D E F GH
ABC D E F GH
2
1
3
4
5
6
7
8
2
1
3
4
5
6
7
8
HS403
763WAA0367
HS405
763WAA0365
IC403
KIA431A-AT
REGURATOR IC
123
IC404
KIA431A-AT
REGURATOR IC
123
R416
2.2 1/4W
R497
1
1W
R412
0.22
1W
IC410
PS2561AL1-1-V(W)
FEED BACK
1
2
34
IC409
PS2561AL1-1-V(W)
1
2
34
IC408
PS2561AL1-1-V(W)
1
2
34
F401
6.3A125V
51MS063L
FH401
EYF-52BCY
FH402
EYF-52BCY
L401
SS30V-R300071
COIL,LINE FILTER
12
34
L402
SS30V-R300071
COIL,LINE FILTER
12
34
IS THE LIVE CONNECTIONCAUTION:
D440
YG862C10R
1
2
3
D437
YG862C10R
1
2
3
RY401
ALKS329_A60
12
3
4
CP413
003P-2100
1
CP408
003P-2100
1
CP401
003P-2100
1
CP405
003P-2100
1
CP403
003P-2100
1
D404_1
ENE241D-10A-Q6
D403
DE37-452M
D402
ENE271D-10A
D432
RU3AM-EIC
D443
SR340-004
D424
1H3-E
D422
RB160M-90TR
D433
1H3-E
D411
1SS355
D434
SR340-004
D435
ERC91-02
D449
1SS133
D447
1SS133
D456
1SS133
D409
1N5406FL-6737
D421
1SS355
D426
1SS133
D423
1SS355
D446
1SS133
D448
1SS133
D414
1SS355
D413
1SS355
D420
1SS355
D419
1SS355
D429
1SS355
D428
1SS355
D460
1H3-E
D438
1SS355
D442
1H3-E
D427
1N4005-EIC
D425
1N4005-EIC
D431
1N4005-EIC
D430
1N4005-EIC
D410
1N5406FL-6737
R406
0.022 1W
R403
1.8 3W
R533
47K 3W
DANS LA NOMENCLATURE DES PIECES
N’UTILISER QUE CELLS DECRITES
DANGEREUSES AN POINT DE VUE SECURITE
:LES PIECES REPAREES PAR UN ETANT
ATTENTION
:SINCE THESE PARTS MARKED BY
CAUTION
DESCRIBED IN PARTS LIST ONLY
CRITICAL FOR SAFETY,USE ONES
ARE
D445
MTZJ15B
D450
MTZJ3.3B
D461
MTZJ11B
D415
UDZS3.9B
D412
MTZJ3.9B
D459
MTZJ22B
D439
MTZJ30B
D416
MTZJ20B
W807
W828
W809
W834
W835
W806
W805
C444
100
6.3V
MHE_P
C435
100025V ZL_P
C422_1
100100V ZL_P
C445
4750V MHE_P
C441
1050V
MHE_P
C440
2200
6.3V
ZL_P
C433
47035V ZL_P
C407
22
50V
YXF_P
C424_1
47
200V
PX_P
C416
1006.3V MHE_P
C431
1050V YXF_P
C432
100016V ZL_P
C468
0.001250V KX
C427
470P250V KX
C418
0.0022
B
C474
0.001
500V
B
C436
0.0015
250V KX
C402
0.33275V ECQUL
C472
0.01 B
C406
0.0015250V KX
C463
470P250V KX
C412
0.1
B
C447
0.01 B
C448
0.1275V ECQUL
C423
0.082800V FLS
C419
100P CH
C421
0.022 B
C411
1B
C414
330P CH
C415
0.0015 B
C409
0.1
B
C417
820P
CH
C467
0.01 B
C437
0.1 B
C443
0.1 B
C429
0.1 B
C426
0.1 B
C428
0.001 B
C430
0.00222KV B
C408
0.001
B
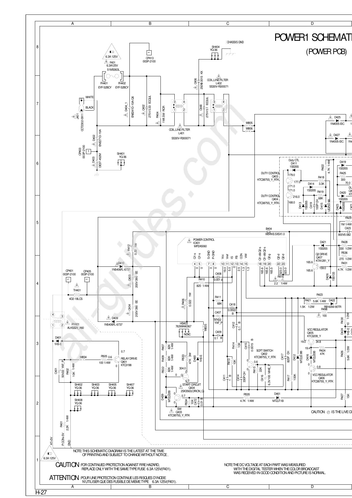
OF PRINTING AND SUBJECT TO CHANGE WITHOUT NOTICE
NOTE:THIS SCHEMATIC DIAGRAM IS THE LATEST AT THE TIME
WAS RECEIVED IN GOOD CONDITION AND PICTURE IS NORMAL.
WITH THE DIGITAL TESTER WHEN THE COLOR BROADCAST
NOTE:THE DC VOLTAGE AT EACH PART WAS MEASURED
R436
68K 1/2W
R460
47K
R430
10
1/2W
R423
5.6K 1/4W
R421
1.5K 1/2W
R426
5.6K 1/2W
R427
15K
R458
10K
R443
1K
R445
100
1/4W
R457
1K
R440
10K
R449
6.8K
+-1%
R434
1K 1/4W
R521
10K 1/4W
R522
10K
1/4W
R401
2.2K 1/4W
R411
68K
R414
10K
R413
10K
R535
4.7K 1/4W
R431
4.7K 1/2W
R428
330 1/2W
R536
270 1/2W
R404
1.5M1W RCR
R407
82K
1/4W
R409
82K
1/4W
R532
82K
1/4W
R505
100 1/4W
R454
180
+-1%
R402
10K
1/4W
R498
100
R429
1M 1/4W RCR
R439
220 1/4W
R534
10K
R418
3.3K
R419
68K
R425
300
R422
4.7K 1/4W
R432
100K
R415
22K
R417
100K
R424
47K
R442
100
R438
2.2K 1/4W
R435
1K
R459
220 1/4W
R467
75K +-1%
R453
100
R448
39K
+-1%
R463
100
R450
3.9K
+-1%
R446
100K
R455
2.2K +-1%
R444
2.2K
R456
2.2K
+-1%
R451
47
R452
1K 1/4W
R437
2.2
1/4W
R433
270K
R441
15K
R410
820 1/4W
Q405
KTC3209_Y
VCC REGULATOR
Q403
KTC3875S_Y_RTK
DUTY CONTROL
Q404
KTC3875S_Y_RTK
DUTY CONTROL
Q412
KTC3875S_Y_RTK
PROTECT
Q402
KTC3875S_Y_RTK
SOFT SWITCH
Q406
KTC3875S_Y_RTK
VCC REGULATOR
Q409
KTC3875S_Y_RTK
DUTY CONTROL
Q401
KTC3198
RELAY DRIVE
Q433
KTC3875S_Y_RTK
SW
Q408
KTC3875S_Y_RTK
DUTY CONTROL
C434
100035V ZL_P
C438
100035V ZL_P
C403
390200V EE
C404
390200V EE
C401
2250V YXF_P
SH406
YQ-36
SH404
YQ-36
SH402
YQ-36
SH405
YQ-36
SH403
YQ-36
SH407
YQ-36
SH408
YQ-36
SH401
YQ-36
T401
87420014
1
10
11
12
13
14
15
16
17
18
2
3
4
5
7
8
9
T402 81190074
1
10
2
3
4
5
6
7
8
9
IC401
MP2A5060
POWER CONTROL
10 11 12 13 14 15 18 19 20 22 2345 78
B401 W5RH3.5X5X1.0
B404
W5RH3.5X5X1.0
Q415
KTA1504S_Y_RTK
PROTECT
Q416
KTA1504S_Y_RTK
POWER FAIL SWITCH
Q407
KTA1281_Y
Q2 DRIVE
TH401
4D2-18LCS
L413
22uH
TSL0808
D401
1H3-E
IC402 MIP2F4
SW REGULATOR CONTROL
1234
578
J401
CCT2302-0911
12
S
D
G
Q434
2SK3563(ORION_Q)
START CIRCUIT
REPLACE ONLY WITH THE SAME TYPE FUSE
:FOR CONTINUED PROTECTION AGAINST FIRE HAZARD,
CAUTION
N’UTILISER QUE DES FUSIBLE DE MEME TYPE
:POUR UNE PROTECTION CONTINUE LES RISQUES D’INCEIE
ATTENTION
AT+5V
GND
POWER_FAIL
AT+5V
POWER_FAIL
P.CON+5V
INV_SW+24V
GND
SW+12V[UNREG]
GND_S
SW+5.5V
SOUND+B[SW]
SOUND+B[SW]
GND_S
SW+5.5V
SW+12V[UNREG]
GND
INV_SW+24V
GND
P.CON+5V
P.CON+5V
GND
INV_SW+24V
AT+5V
GND
POWER1 SCHEMATIC DIAGRAM
(POWER PCB)
CEF273
PCB240
H-28
H-27
6.3A 125V(F401).
6.3A 125V(F401).
6.3A 125V
6.3A 125V
NC
0
NCNC
FROM/TO POWER2
NC
NC
NC
NC
VddFBCLVcc
DSS
CHASSIS GND
S-GND
P-GND
Vcc
Vref
IS
FB
CON
VW
Q1-d&Q2-s
Q1-d&Q2-s
Q1-s
Q1-s
Q2-g
Q2-d
Q2-d
0.6
0.7
0
0
0
0.7
179.0
177.0
171.0
216.0
168.0
171.0
Duty CTL
70.0
134.0
128.0
134.0 120.0
128.0
304.0
0
0
19.0 34.8
19.4
0
0
0.8
0
0
0
164.0
165.6
165.6
167.6
24.2
24.2
0
0
13.0
13.0
5.1
0
21.5
0
0
2.4019.4
3.50
3.5
REFERENCE
ANODE
CATHODE
REFERENCE
ANODE
CATHODE
2.504.0
5.2
5.2
4.4
1.0
5.0 5.0
4.0
164.0 0 0
16.0 2.5 1.0 5.9
166.0
0
166.0
0
0
0
0
5.2
1.2
0
NC
NC
0
0
0
0
19.0
5.0
0
2.5
1.3
1.3
323.0
323.0
0
0
0.6
WHITE
BLACK
165.6
165.6
165.5
165.6
165.6
159.0
2.5
0
20.5
24.4
23.5
0.8
0
23.5
19.4
All manuals and user guides at all-guides.com
all-guides.com

Related product manuals