EasyManua.ls Logo

Sharp LC-32D62U - Page 88

Sharp LC-32D62U
162 pages
Print Icon
To Next Page IconTo Next Page
To Next Page IconTo Next Page
To Previous Page IconTo Previous Page
To Previous Page IconTo Previous Page
Loading...
LC-32D62U/LC-37D62U 1st
10 – 15
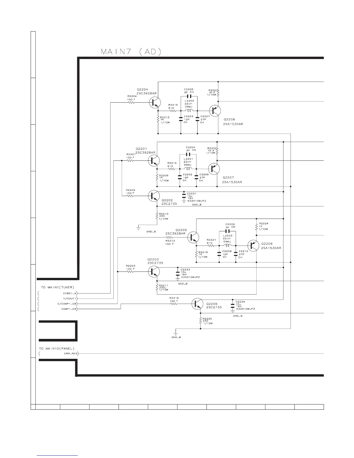
•MAIN Unit-7/23
A
C
B
D
E
F
G
H
12345678910
&706-'(/

Related product manuals