EasyManua.ls Logo

Sharp LC-37D90U - Page 39

Sharp LC-37D90U
208 pages
Print Icon
To Next Page IconTo Next Page
To Next Page IconTo Next Page
To Previous Page IconTo Previous Page
To Previous Page IconTo Previous Page
Loading...
LC-37D90U
5 – 23
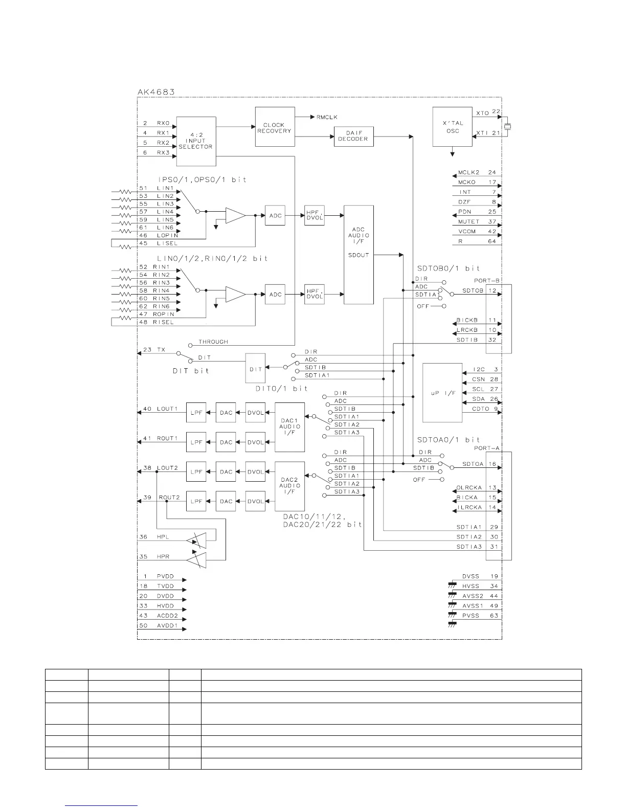
2.4. VHiAK4683EQ-1Q (ASSY: IC1403)
Asynchronous Multi-Channel Audio CODEC with DIR/T.
Block Diagram [VHiAK4683EQ-1Q (ASSY: IC1403)]
Pin Function [VHiAK4683EQ-1Q (ASSY: IC1403)]
Pin No. Pin Name I/O Pin Function
1 PVDD --- PLL Power supply, 4.5V~5.5V.
2 RX0 I Receiver Channel 0 (Internal biased pin. Internally biased at PVDD/2).
3 I2C I Control Mode Select.
“L” : 4-wire Serial, “H” : I2C Bus.
4 RX1 I Receiver Channel 1.
5 RX2 I Receiver Channel 2.
6 RX3 I Receiver Channel 3.
7 INT O Interrupt.

Other manuals for Sharp LC-37D90U

Related product manuals