EasyManua.ls Logo

Sharp LC-37X20S - Page 146

Sharp LC-37X20S
192 pages
Print Icon
To Next Page IconTo Next Page
To Next Page IconTo Next Page
To Previous Page IconTo Previous Page
To Previous Page IconTo Previous Page
Loading...
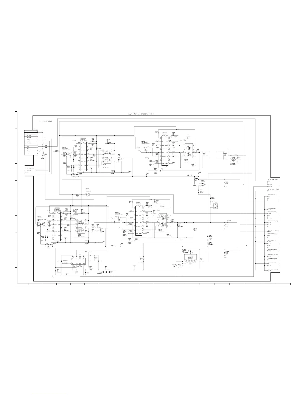
LC-32X20E/S/RU, LC-37X20E/S/RU
8 – 16
1
23
1097654
8
J
A
B
C
D
E
F
G
H
I
1311 191816151412 17
MAIN Unit-15

Table of Contents

Related product manuals