EasyManua.ls Logo

Sharp LC-39LE651E - Page 60

Sharp LC-39LE651E
148 pages
Print Icon
To Next Page IconTo Next Page
To Next Page IconTo Next Page
To Previous Page IconTo Previous Page
To Previous Page IconTo Previous Page
Loading...
60
LC-39/50LE650
LC-39/50LE651
LC-39/50LE652
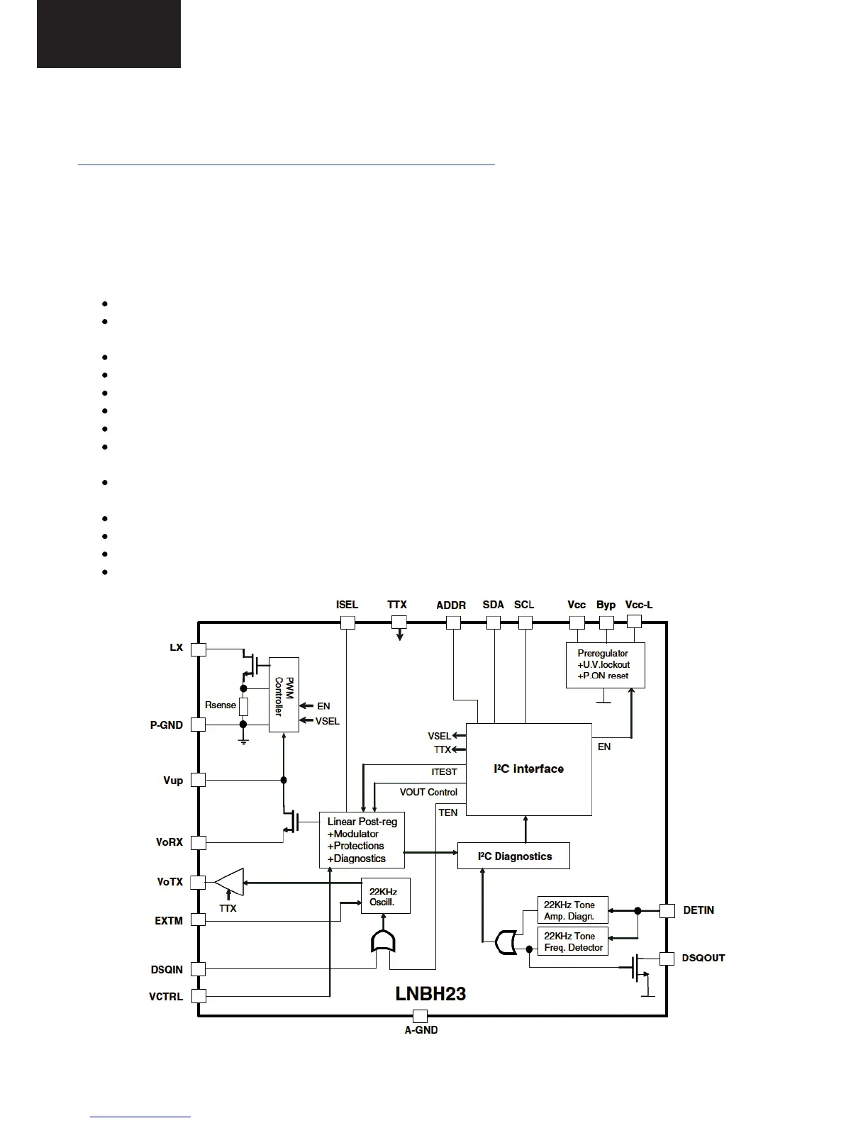
IC1301: LNBs supply and Control IC.
Part number: LNBH23QTR (ST MICRO)
Sharp code: RH-IXD310WJZZY
http://www.st.com/st-web-ui/static/active/en/resource/technical/document/datasheet/CD00154977.pdf
Intended for analog and digital satellite receivers/sat-TV, sat-PC cards, the LNBH23 is a monolithic voltage regulator and
interface IC, assembled in PowerSSO-24 ePAD and QFN32 (5 x 5 mm.) ePAD, specifically designed to provide the 13/18 V
power supply and the 22 kHz tone signaling to the LNB down-converter in the antenna dish or to the multi-switch box. In this
application field, it offers a complete solution with extremely low component count, low power dissipation together with simple
design and I²C standard interfacing.
Features:
Complete interface between LNB and I²C bus.
Built-in DC-DC converter for single 12 V supply operation and high efficiency (typ. 93% @ 0.75A), with
integrated NMOS.
Selectable output current limit by external resistor.
Compliant with main satellite receiver systems specifications.
New accurate built-in 22 kHz tone generator suits widely accepted standards.
Fast oscillator start-up facilitates DiSEqC encoding.
Built-in 22 kHz tone detector supports bidirectional DiSEqC 2.0.
Very low-drop post regulator and high efficiency step-up PWM with integrated power NMOS allow low
power losses.
Two output pins suitable to by-pass the output R-L filter and avoid any tone distortion (R-L filter as per
DiSEqC 2.0 specs).
Overload and over-temperature internal protections with I²C diagnostic bits.
Output voltage and output current level diagnostic feedback by I²C bits.
LNB short circuit dynamic protection.
± 4 kV ESD tolerant on output power pins.
MAJOR ICs INFORMATION ( continued )

Other manuals for Sharp LC-39LE651E

Related product manuals