EasyManua.ls Logo

Sharp MD-MS701W - Block Diagram

Sharp MD-MS701W
56 pages
Print Icon
To Next Page IconTo Next Page
To Next Page IconTo Next Page
To Previous Page IconTo Previous Page
To Previous Page IconTo Previous Page
Loading...
MD-MS701W/MS702
– 31 –
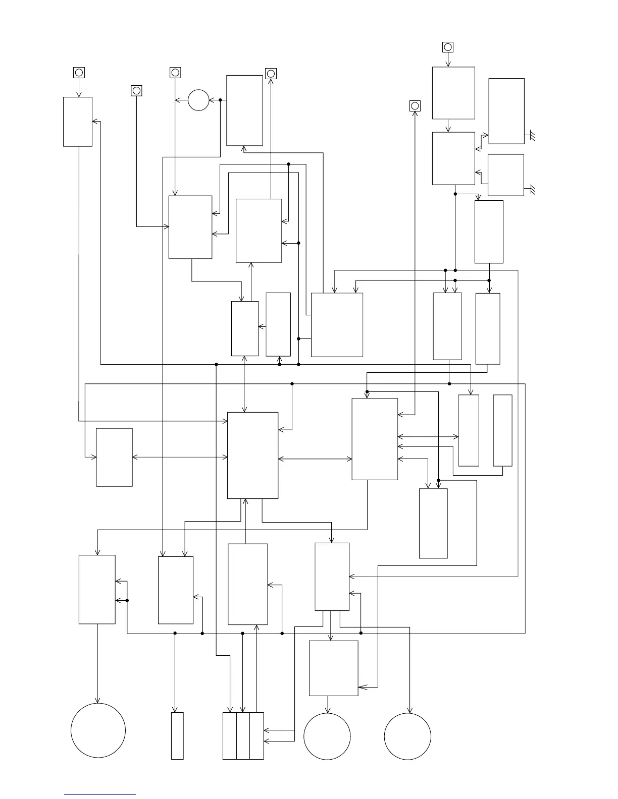
Figure 31 BLOCK DIAGRAM
LASER
HEAD
LIFT
MOTOR
MOTOR
DRIVER
SPINDLE
MOTOR
SLED
MOTOR
SPINDLE
MOTOR
DRIVER
(BA6965FV)
VCC VS
HEAD
DRIVER
VS
VCC
RF SIGNAL
PROCESSOR
(IR3R55)
PICK COIL
DRIVER
VCC VM
4 M
D-RAM
(IC202)
ENDEC
ATRAC
(LB37648B)
SYSTEM
MICROCOMPUTER
E
2
-PROM
DISPLAY UNIT
OPERATION UNIT
AD/DA
CONVERTER
POWER
DRIVER
2.5V
REGULATOR
+2.8V
-2.8V
(IR3M09)
VCC
POWER DRIVER
(IR3M09)
2.5V
REGULATOR
(ON/OFF)
(IR3R54N)
AUDIO AMP.
VCC VEE
(IR3R54N)
AUDIO AMP.
VCC VEE
+6~8
DC IN
RIPPLE
FILTER
DIGITAL INPUT
OPTICAL
INPUT UNIT
LINE INPUT
LINE OUT
MIC IN
HEAD PHONES
4.5V
REGULATOR
(ON/OFF)
REMOTE CONTROL
POWER SELECT
N-ch MOS FET
3V
DC/DCONVERTER
BATTERY
VOLTAGE
REGULATOR
CONSTANT
CURRENT DRIVE
RECHARGEABLE
BATTERY
OPIC
POWER SELECT
CHARGE DRIVER
VCC
+2.8
+2.5
F
IC901
+2.5
(LB1638) IC651
+2.5
+2.2
+2.5
+2.5
+2.5
+2.5
+2.5
(74ACT02)
IC351
IC101
IC601
IC201
IC401
+2.5
IC402
+2.8
IC501
+2.5P
IC771
+2.8
IC841
IC821
+2.5
+2.5
IC875
IC701
+2.8V
-2.8V
IC703
+2.8V
-2.8V
J701
+4.5
J701
J702
Q721
IC702
J703
IC801,803,804
+1.8~5.5V
IC871
3~5V
(1.8~3.4V)
IC800,805,Q801
(2.9~4.1V)
J801
DC JACK
(4~5.5V)
PICK
T

Related product manuals