EasyManua.ls Logo

Sharp R-222T - Control Unit Circuit (Figure S-2)

Sharp R-222T
36 pages
Print Icon
To Next Page IconTo Next Page
To Next Page IconTo Next Page
To Previous Page IconTo Previous Page
To Previous Page IconTo Previous Page
Loading...
R-222T(W)
12 – 3
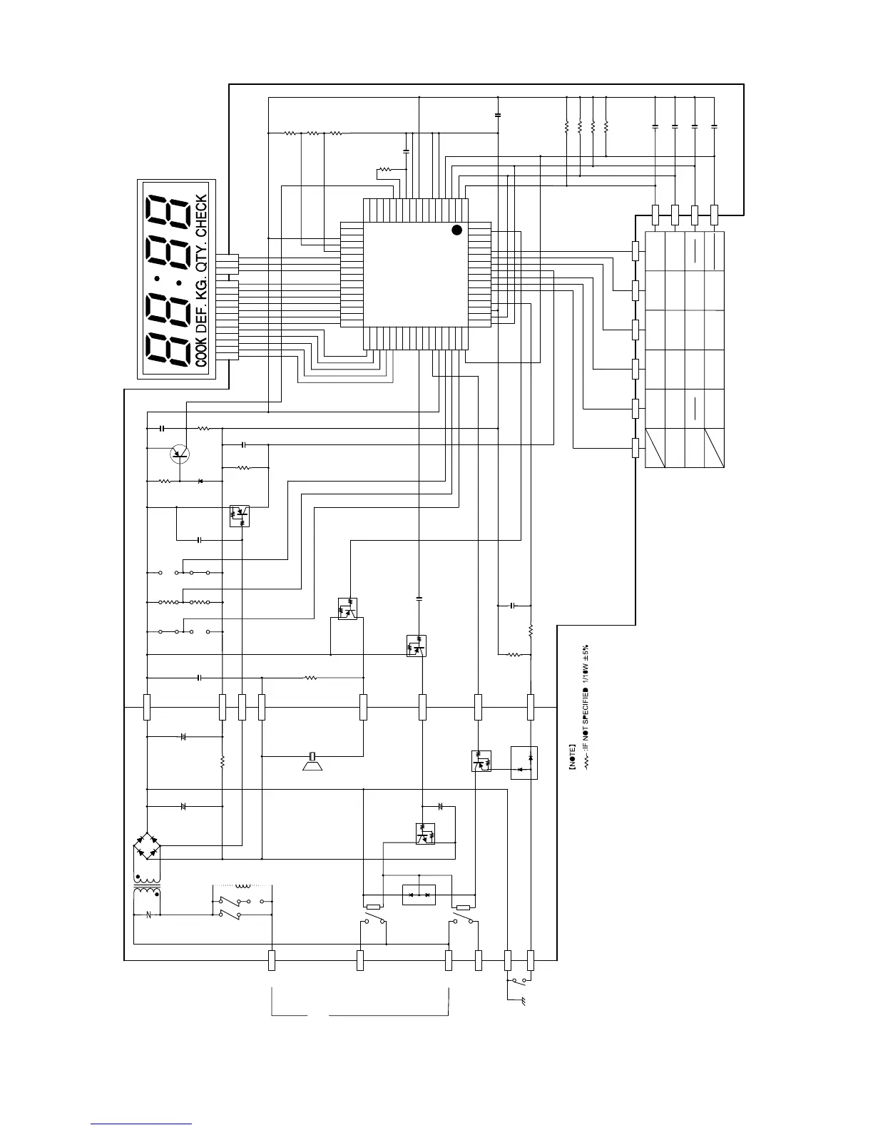
[3] Control Unit Circuit (Figure S-2)
Figure S-2. Control Unit Circuit
SEG14
AIN1
AIN0
SEG0
P20
VLC2
VLC1
VLC0
CAPL
CAPH
P70
AIN5
P03
COM0
IC-1
AIN2
AIN3
AIN4
SEG13
SEG12
SEG11
SEG10
SEG9
SEG8
SEG7
P11
P10
P33
P32
P31
INTP0
P26
P25
AVSS
P24
P23
P22
BZO90
1
48
32
49
64
1633
B2
COM
NO
A3
RY1
RY2
Q21
DTD143ES
C21
10uF/35V
+
-
D40
Q22
SP1
C2
470uF/25V
+
-
0.1uF/50V
+
-
C8
220uF/10V
ZD1
UDZ4.3B
C10
0.1uF/50V
R5
Q1
2SA1037AK
R6
15K
15K
12K
C4
0.01uF/50V
Q10
DTA143EKA
R10
15K
C11
0.01uF/50V
1K
C1
Q20
DTA143EKA
C20
0.1uF / 50V
R41
15K
R40
4.7K
OVEN LAMP
TURNTABLE
MOTOR
FAN MOTOR
POWER
TRANSFORMER
2ND.
INTERLOCK
RELAY
CONTROL
SWTCH
VRS1
T1
D1
D2
D3
D4
D1 - D4 1N4002L
X
4
SEG1
SEG3
SEG2
SEG4
SEG5
SEG6
SEG7
SEG8
SEG9
SEG10
SEG11
SEG12
COM2
COM1
COM0
B1
DOOR
-5V
INT
BZ
COM
M
C40
GND
R4
910 1/2W
CN-B
AC
AC
AC230 - 2 40V
50HZ
G4 G5 G6G1
< LSI UNIT >
(J1)
DTA123JS
G8
G9
G10
G2 G3
G7
VR
R30
3.3K
0.01uF
50V
< KEY UNIT >
COM1
COM2
COM3
SEG1
SEG2
SEG3
SEG4
SEG5
SEG6
P71
P72
AVDD
P01
P00
RESET
X2
X1
VSS
VDD
XT2
XT1
IC
P53
P52
P51
P50
P02
17
R50
R51
R7R8R9
C3
R52
R53
C50
C51
C52
C53
0.1uF
50V
4.7K4.7K4.7K
C50-C53
330P/50V x 4
R50-R53
220K x 4
< POWER UNIT >
R60
11KF
C60
22pF/50V
Q30
DTA143EKA
A1
CN-A
10G471K
(J12)
(J10)
(J14)
(J11)
(J13)
(J15)
AIN3
AIN4
AIN5
MC2836
D20
MC2836
6
3
9
TIMER
CLOCK
2
5
0
8
4
1
7
INSTANT COOK
1
3
7
4
EASY
DEFROST
FROZEN
VEGETABLES
JACKET
POTATO
BEVERAGE
DINNER
PLATE
POWER
LEVEL
EXPRESS
DEFROST
FRESH
VEGETABLES
STOP
CLEAR
START
LIQUID CRYSTAL DISPLAY
d
c
a b

Table of Contents

Related product manuals