EasyManua.ls Logo

Sharp R-230F - Control Panel Circuit

Sharp R-230F
32 pages
Print Icon
To Next Page IconTo Next Page
To Next Page IconTo Next Page
To Previous Page IconTo Previous Page
To Previous Page IconTo Previous Page
Loading...
R-230F
26
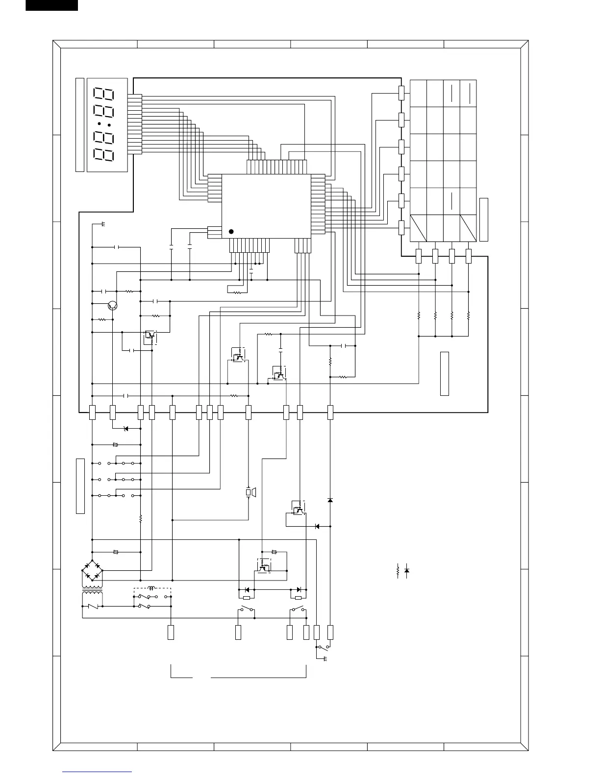
Figure S-2. Control Panel Circuit
1
A
B
C
D
E
F
G
H
A
B
C
D
E
F
G
H
23456
123456
+
+
+
G 7
GND
B1
NO
COM
A1
A3
CN-A
CN-B
B2
-
5V
INT
VR
P42
P41
P40
BZ
COM
M
DOOR
G 1 G 2
6
POWER UNIT
CPU UNIT
IC
-
1
3
9
2
5
0
8
4
1
7
G 3 G 4 G 5 G 6
G 8
G 9
G10
RESET
TEST
VSS
OSC3
OSC4
VD1
VDD
AVDD
AVREF
SEG12
SEG11
SEG10
SEG9
SEG8
SEG7
SEG6
SEG5
SEG4
SEG3
SEG2
SEG1
SEG0
COM3
COM2
BZ
R00
VC3
VC2
VC1
SEG19
SEG18
SEG17
SEG16
SEG15
SEG12
SEG11
SEG10
SEG9
SEG8
SEG7
SEG6
SEG5
SEG4
SEG3
SEG2
SEG1
COM3
COM2
COM1
SEG14
SEG13
R01
R02
R03
P20
P21
P22
P23
K00
K01
K02
K03
COM0
COM1
AVSS
P40
P41
P42
P43
C2 470µ/25v
C21 10µ/35v
C8 220µ/10v
R5 1k
R30 3.3k
R20 15k
R10 15k
R50 20kF
R6 15k
C10
0.1µ
/25v
C4
0.01µ
/25v
C20
0.1µ/25v
C5
0.1µ/25v
C7
0.1µ
/25v
C6
0.1µ/25v
1
14
15
29 45
54
30
44
C3 0.01µ/25v
C40 0.01µ/25v
C11
0.01µ/25v
C1 0.1µ/25v
ZD1 HZ4B3
(J1)
D20D21
D22
(J10)(J11)
(J12)(J13)
(J14)(J15)
VRS1
10G471K
R4 910 1/2w
R41 15k
R40 4.7k
R75 220k
R76 220k
R77 220k
R78 220k
SP1
D40
:
IF NOT SPECIFIED, 1/10W
±
5%
:
IF NOT SPECIFIED, 1SS270A
Q10
DTA143EAK
Q21
DTD143ES
Q22
DTA123JS
Q1
2SA1037AK
Q30
DTA143EAK
Q20
DTA143EAK
D1
D2
ab
c
d
D4
D3
T1
RY1
RY2
AC(N)
AC(H)
OVEN LAMP
TURNTABLE
MOTOR
FAN MOTOR
2ND.
INTERLOCK
RELAY
CONTROL
SWITCH
NOTE
MICRO
D1-D4
1N4002
RST
LIQUID CRYSTAL DISPLAY
KEY UNIT
AC230-240V
50Hz
COOK DEF KG QTY CHECK
POWER
LEVEL
INSTANT
COOK
START
JACKET
POTATO
FROZEN
VEGETABLES
BEVERAGE
FRESH
VEGETABLES
TIMER
CLOCK
EASY
DEFROST
DINNER
PLATE
EXPRESS
DEFROST
RICE PASTA
STOP
CLEAR

Other manuals for Sharp R-230F

Related product manuals