EasyManua.ls Logo

Sharp R-2397 - Schematic

Sharp R-2397
44 pages
Print Icon
To Next Page IconTo Next Page
To Next Page IconTo Next Page
To Previous Page IconTo Previous Page
To Previous Page IconTo Previous Page
Loading...
30
R-2397
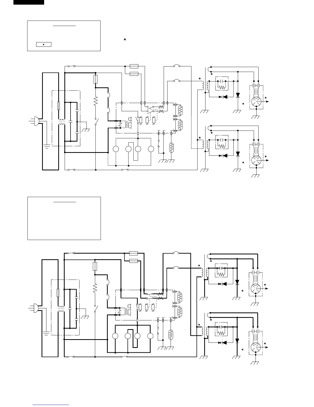
SCHEMATIC
NOTE: CONDITION OF OVEN
1. DOOR CLOSED
2. APPEARS ON DISPLAY
SCHEMATIC
NOTE: CONDITION OF OVEN
1. DOOR CLOSED.
2. TIME KEY TIUCHED.
3. COOKING TIME PROGRAMMED.
4. START KEY TOUCHED
NOTE: " " INDICATES COMPONENTS WITH POTENTIALS ABOVE 250V.
C1 and C2: 1.07µF/ AC 2100V
Figure O-2. Oven SChematic-ON Condition
Figure O-1. Oven SChematic-OFF Condition
F1: WEAK POINT A017
NOISE FILTER
1ST LATCH SWITCH
(PRIMARY INTERLOCK SWITCH)
MONITOR
SWITCH
MONITOR
RESISTOR
BLOWER MOTOR
THERMAL CUT OUT
115C°
A7
A5
OVEN THERMAL 
CUT OUT 115C°
F2:
FUSE
F6.3A
2ND LATCH SWITCH
F4: WEAK POINT A018
A3
MAGNETRON
THERMAL CUT OUT
145C°(LOWER)
OVEN LAMP
BLOWER MOTOR
A1
CONTROL
UNIT
B1
3RD LATCH SWITCH
EXHAUST 
THERMISTER
STOP SWITCH
TAB3
D3
TAB2
TAB1
TAB4
HIGH VOLTAGE
TRANSFORMER
230V
~
50Hz
ASYMMETRIC
RECTIFIER
H. V. RECTIFIER
C1: H.V. CAPACITOR
MG1: MAGNETRON (UPPER)
(FRONT)
F3:
WEAK POINT 
A018
OL
SM
STIRRER MOTOR
SM
BM
RY1
RY3
RY4
MAGNETRON
THERMAL 
CUT OUT
145C°(UPPER)
B2
B3
D1
H1
H3
INTAKE 
THERMISTER
MAGNETRON
THERMISTER
ASYMMETRIC
RECTIFIER
H. V. RECTIFIER
C2: H.V. CAPACITOR
MG2: MAGNETRON (LOWER)
HIGH VOLTAGE
TRANSFORMER
(REAR)
TC2:
TC1 :
TC4 :
TC3 :
T1 :
T2 :
NOISE FILTER
1ST LATCH SWITCH
(PRIMARY INTERLOCK SWITCH)
MONITOR
SWITCH
MONITOR
RESISTOR
BLOWER MOTOR
THERMAL CUT OUT
115C°
A7
A5
OVEN THERMAL 
CUT OUT 115C°
F2:
FUSE
F6.3A
2ND LATCH SWITCH
A3
MAGNETRON
THERMAL CUT OUT
145C°(LOWER)
OVEN LAMP
BLOWER MOTOR
A1
CONTROL
UNIT
B1
3RD LATCH SWITCH
EXHAUST 
THERMISTER
STOP SWITCH
TAB3
D3
TAB2
TAB1
TAB4
HIGH VOLTAGE
TRANSFORMER
ASYMMETRIC
RECTIFIER
H. V. RECTIFIER
(FRONT)
OL
SM
STIRRER MOTOR
SM
BM
RY1
RY3
RY4
MAGNETRON
THERMAL 
CUT OUT
145C°(UPPER)
B2
B3
D1
H1
H3
INTAKE 
THERMISTER
MAGNETRON
THERMISTER
ASYMMETRIC
RECTIFIER
H. V. RECTIFIER
HIGH VOLTAGE
TRANSFORMER
(REAR)
230V~50Hz
F1: WEAK POINT A017
F4: WEAK POINT A018
C1: H.V. CAPACITOR
MG1: MAGNETRON (UPPER)
F3:
WEAK POINT 
A018
C2: H.V. CAPACITOR
MG2: MAGNETRON (LOWER)
TC2:
TC1 :
TC4 :
TC3 :
T1 :
T2 :

Related product manuals