EasyManua.ls Logo

Sharp R-520LK - Page 10

Sharp R-520LK
44 pages
Print Icon
To Next Page IconTo Next Page
To Next Page IconTo Next Page
To Previous Page IconTo Previous Page
To Previous Page IconTo Previous Page
Loading...
10
R - 5 2 0 L K
R- 5 20LW
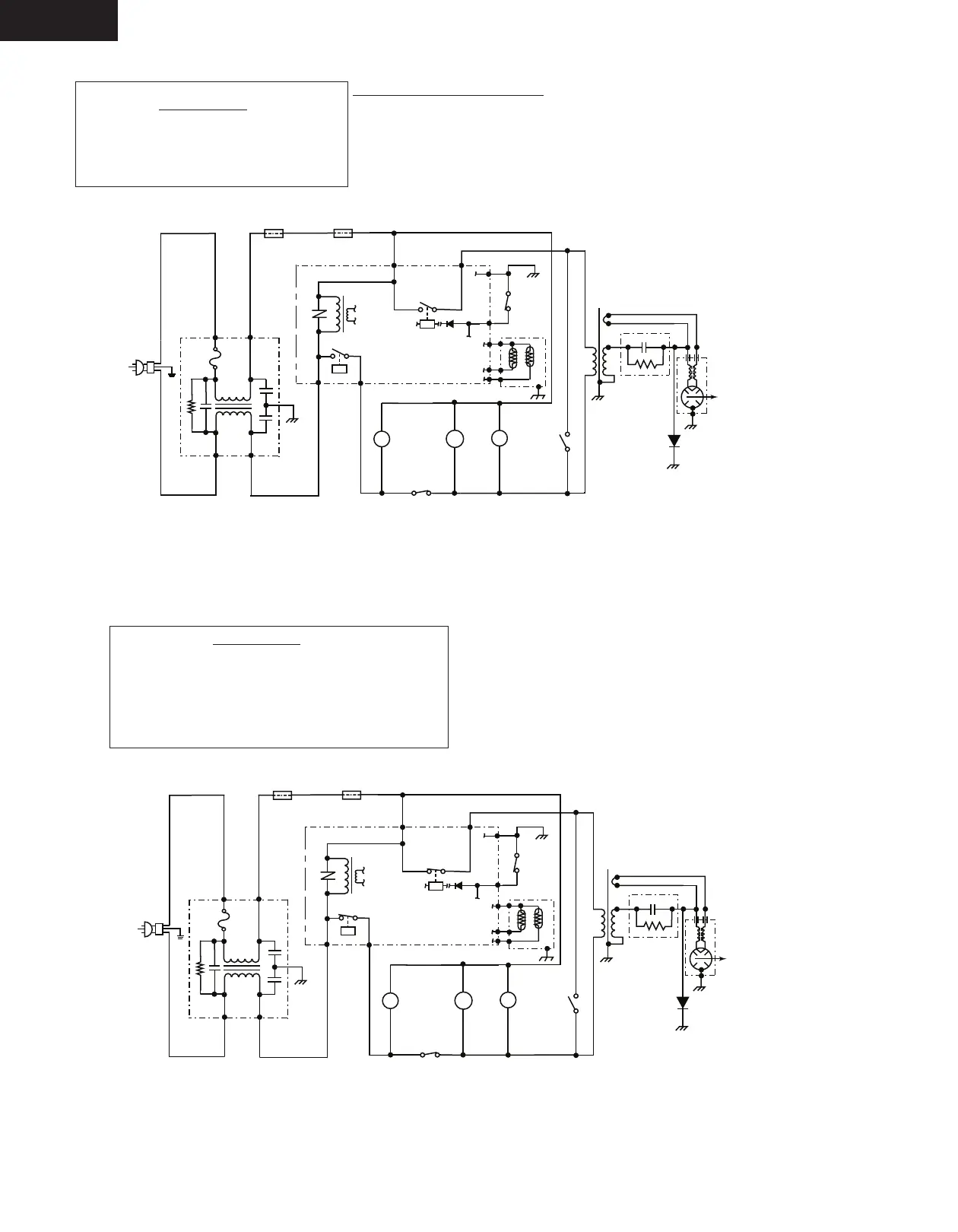
Figure O-2 Oven Schematic - Cooking Condition
Figure O-1 Oven Schematic - Off Condition
SCHEMATIC
NOTE: CONDITION OF OVEN
1. Door Closed
2. CLOCK APPEARS ON DISPLAY
SCHEMATIC
3. VARIABLE COOKING CONTROL "HIGH"
2. COOKING TIME PROGRAMMED
1. DOOR CLOSED
NOTE: CONDITION OF OVEN
4. "START" PAD TOUCHED
Note:* Indicates component
NOTES:
1.CIRCUITS SUBJECT TO CHANGE WITHOUT NOTICE.
2.TERMINAL WITH PROJECTION OR OPPOSITE BLUE MARK ON LAMP SOCKET
MUST BE CONNECTED TO NEUTRAL WIRE.
3. ONLY CERTAIN MODELS USE THE ABSOLUTE HUMIDITY SENSOR.
4. POWER TRANSFORMER TOP (FINISH LEAD) TERMINAL MUST BE CONNECTED TO THE NEUTRAL (WHT ) WIRE.
C
A
V
I
T
Y
T
E
M
P
E
R
A
T
U
R
E
F
U
S
E
120VAC
60Hz
COM.
RED
RED
WHT
W
H
T
WHT
GRY
BRN
WHT
WHT
WHT
ORG
RED
WHT
WHT
GRN
N.O.
B2
B1
CONTROL UNIT
M
AG
N
E
T
R
O
N
T
E
M
P
E
R
A
T
U
R
E
F
U
S
E
N.O.
(RY2)
COM.
DOOR
SENSING
SWITCH
TTM
FM
OL
TURN
TABLE
MOTOR
FAN
MOTOR
OVEN
LAMP
MONITOR
SWITCH
PRIMARY
INTERLOCK
SWITCH
POWER
TRANSFORMER
MAGNETRON
HIGH
VOLTAGE
CAPACITOR
xx F
ORG
WHT
SECONDARY
INTERLOCK
RELAY
ORG
BRN
ORG
ORG
R
E
D
GRY
GRY
GND
WHT
F3
F2
F1
SENSOR
(RY1)
OVEN
LAMP
RELAY
COM.
N.O.
HUMIDITY
COM.
N.C.
HIGH
VOLTAGE
RECTIFIER
ORG
H
N
RED
RED
PNK
GRN
GRN
GRN
GRN
C3
C2
C1
BLK
WHT
NOISE
FILTER
MONITOR
FUSE (20A)
R2
"TO LOAD"
"TO LOAD"
"TO SOURCE"
"TO SOURCE"
NOTES:
1.CIRCUITS SUBJECT TO CHANGE WITHOUT NOTICE.
2.TERMINAL WITH PROJECTION OR OPPOSITE BLUE MARK ON LAMP SOCKET
MUST BE CONNECTED TO NEUTRAL WIRE.
3. ONLY CERTAIN MODELS USE THE ABSOLUTE HUMIDITY SENSOR.
4. POWER TRANSFORMER TOP (FINISH LEAD) TERMINAL MUST BE CONNECTED TO THE NEUTRAL (WHT ) WIRE.
C
A
V
I
T
Y
T
E
M
P
E
R
A
T
U
R
E
F
U
S
E
120VAC
60Hz
COM.
RED
RED
WHT
W
H
T
WHT
GRY
BRN
WHT
WHT
WHT
ORG
RED
WHT
WHT
GRN
N.O.
B2
B1
CONTROL UNIT
M
AG
N
E
T
R
O
N
T
E
M
P
E
R
A
T
U
R
E
F
U
S
E
N.O.
(RY2)
COM.
DOOR
SENSING
SWITCH
TTM
FM
OL
TURN
TABLE
MOTOR
FAN
MOTOR
OVEN
LAMP
MONITOR
SWITCH
PRIMARY
INTERLOCK
SWITCH
POWER
TRANSFORMER
MAGNETRON
HIGH
VOLTAGE
CAPACITOR
xx F
ORG
WHT
SECONDARY
INTERLOCK
RELAY
ORG
BRN
ORG
ORG
R
E
D
GRY
GRY
GND
WHT
F3
F2
F1
SENSOR
(RY1)
OVEN
LAMP
RELAY
COM.
N.O.
HUMIDITY
COM.
N.C.
HIGH
VOLTAGE
RECTIFIER
ORG
H
N
RED
RED
PNK
GRN
GRN
GRN
GRN
C3
C2
C1
BLK
WHT
NOISE
FILTER
MONITOR
FUSE (20A)
R2
"TO LOAD"
"TO LOAD"
"TO SOURCE"
"TO SOURCE"

Related product manuals