EasyManua.ls Logo

Sharp R-771(W)N - Oven Parts

Sharp R-771(W)N
49 pages
Print Icon
To Next Page IconTo Next Page
To Next Page IconTo Next Page
To Previous Page IconTo Previous Page
To Previous Page IconTo Previous Page
Loading...
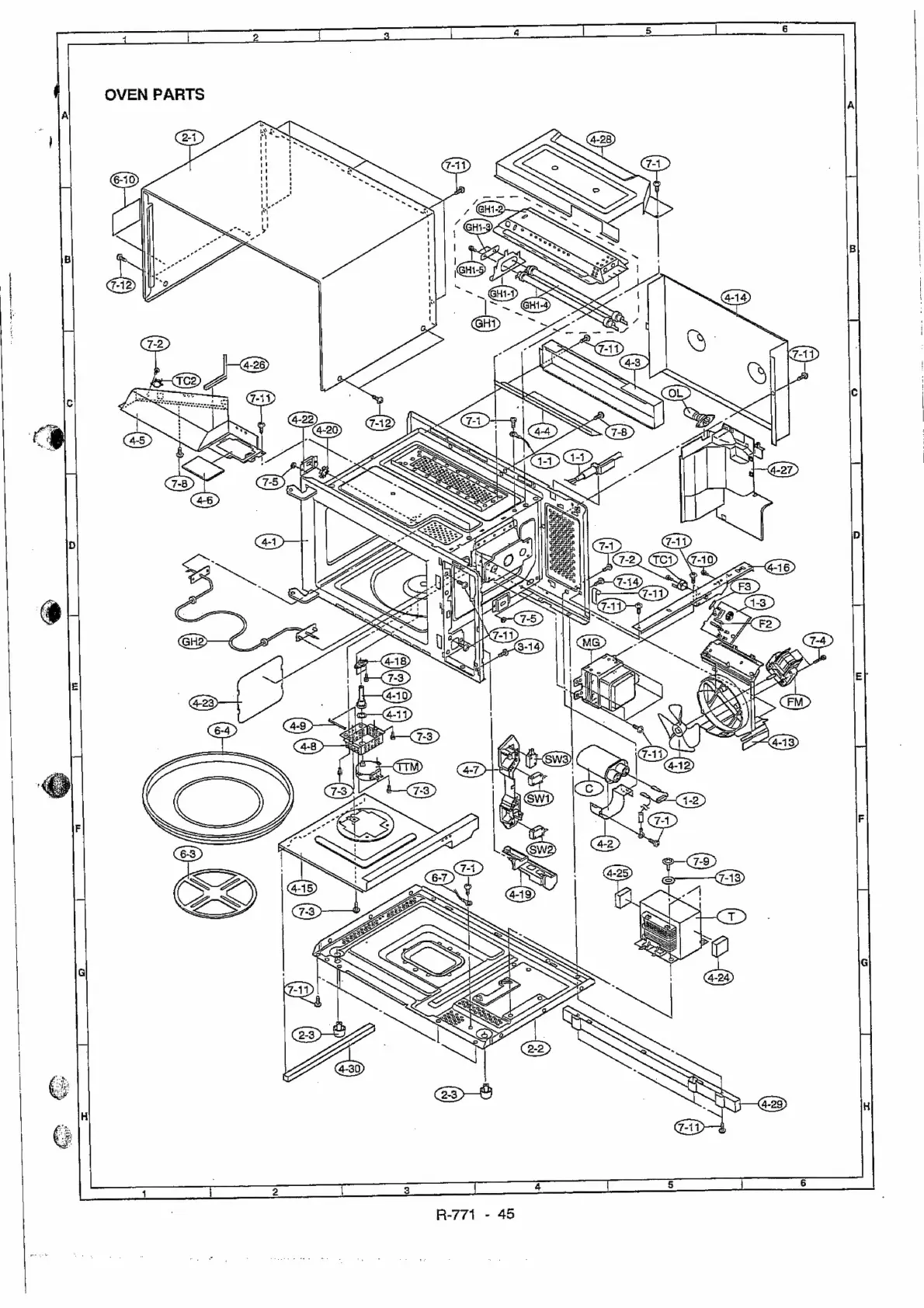
OVEN
PARTS
-
45
R-771

Related product manuals