EasyManua.ls Logo

Sharp SJ-A20S-SL - Electric Accessories Layout

Sharp SJ-A20S-SL
33 pages
Print Icon
To Next Page IconTo Next Page
To Next Page IconTo Next Page
To Previous Page IconTo Previous Page
To Previous Page IconTo Previous Page
Loading...
5 – 2
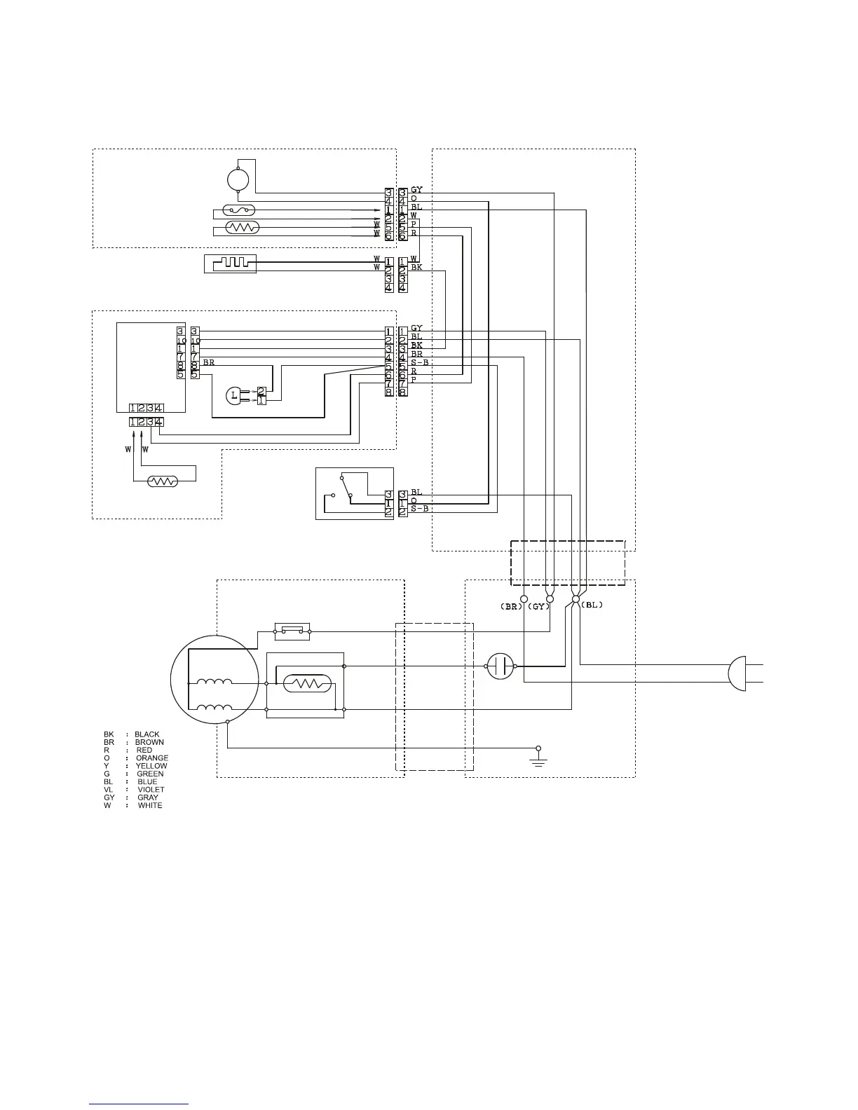
[2] ELECTRIC ACCESSORIES LAYOUT
F-LOUVER ASS’Y
FAN MOTOR
FM
LEAD EV COVER
FUSE
DEF-THERMISTOR
DEF-HEATER
R-CBOX-K
PWB
LAMP
R-THERMISTOR
DOOR SWITCH
TERMINAL COVER
COMPRESSOR
PROTECTOR
STARTING RELAY
CABINET
HARNESS FL ASS’Y
RELAY WIRE ASS’Y
(BOTTOM ANGLE)
RUN CAP.
!"#$% &'$( &#$) &'$* &#$+ &'$, &#-( &#-)

Related product manuals