EasyManua.ls Logo

Sharp VC-90ET - OVERALL BLOCK DIAGRAM

Sharp VC-90ET
109 pages
Print Icon
To Next Page IconTo Next Page
To Next Page IconTo Next Page
To Previous Page IconTo Previous Page
To Previous Page IconTo Previous Page
Loading...
VC-90ET
VC-90ET
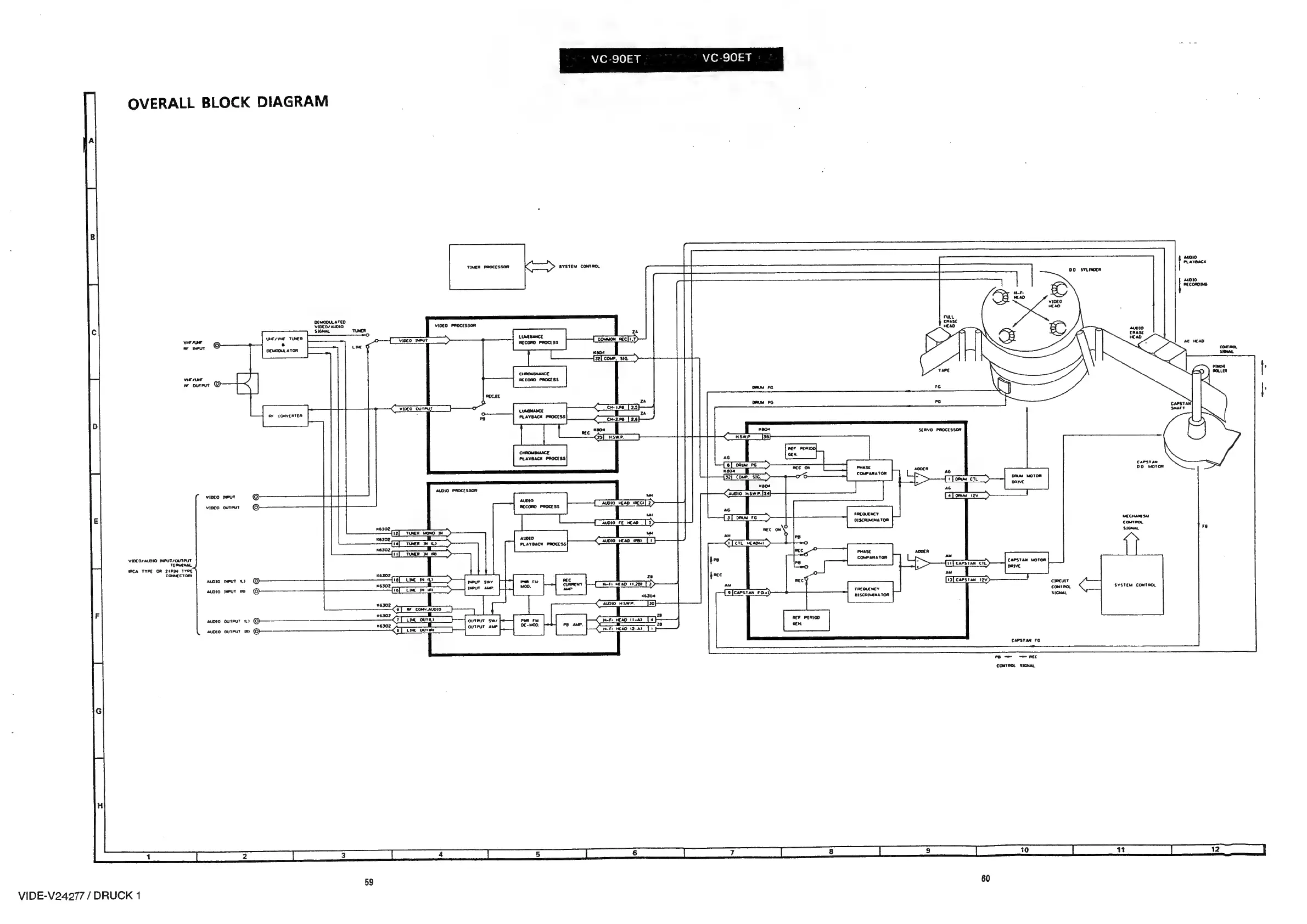
OVERALL
BLOCK
DIAGRAM
VIDEO
INPUT
VIDEO
OUTPUT
©
LT
TY
VIDEO/
AUDIO
INPUT
OUTPUT
TERMINAL
(ACA
TYPE
OR
2IPIN
TYPE
CONNECTOR)
avolo
output
@———.
avo1o
output
in»
©)—-
VEE
UE
|
re
outeur
©)
‘HE
ADte)
{1}
ae
;
SHS
gatee
Er
mor
nour
nr
©
(el
ine
a>
prec
mage
eee
I
fot
pee
ig
tor
-ea0
1126)
|
3>
aM
auoio
peut
wy
GE——————
[tm
iw
im
>
INPUT
Aue.
TIMER
PROCESSOR
ae
SYSTEM
CONTROL
a
0D
srinoce
DEMODULATED
VIDEO?
AUDIO
VIDEO
PROCESSOR
eras
SIGNAL
TUNER
a
UVM
TUNER
°
LUMINANCE
ae
6
cing
RECORD
PROCESS
Consvon
nech
1)
DEMOOUL
ATOR
004
{32]
[com
sic»
¥
a
Sa
es
Gsl_nswe
[orm
Fc
>
a)
CTern
ro
(By
00
MOTOR
MECHANISM
CONTROL
staan
56
t
[ys[capstan
t2v>
cimcuit
CONTROL
St@aat
FREQUENCY
SYSTEM
CONTROL
DISCRIMINATOR
REF
PERICO
CN
CAPSTAN
FG
res
At
CONTROL
SIGNAL
ea
NEES
EEL
TRNAS
OLS
GAS
AEE
PENN
MST
OREN
PRN
ROE
EES
DRS
ESTE
Dea
SANSA
|
OES
Ae
|
eRe
REE
Ree
VIDE-V24277
/
DRUCK
1

Related product manuals