EasyManua.ls Logo

Sharp VT-G14 - Page 86

Sharp VT-G14
121 pages
Print Icon
To Next Page IconTo Next Page
To Next Page IconTo Next Page
To Previous Page IconTo Previous Page
To Previous Page IconTo Previous Page
Loading...
95
VT-G14
VT-G21
654321
A
B
C
D
E
F
G
H
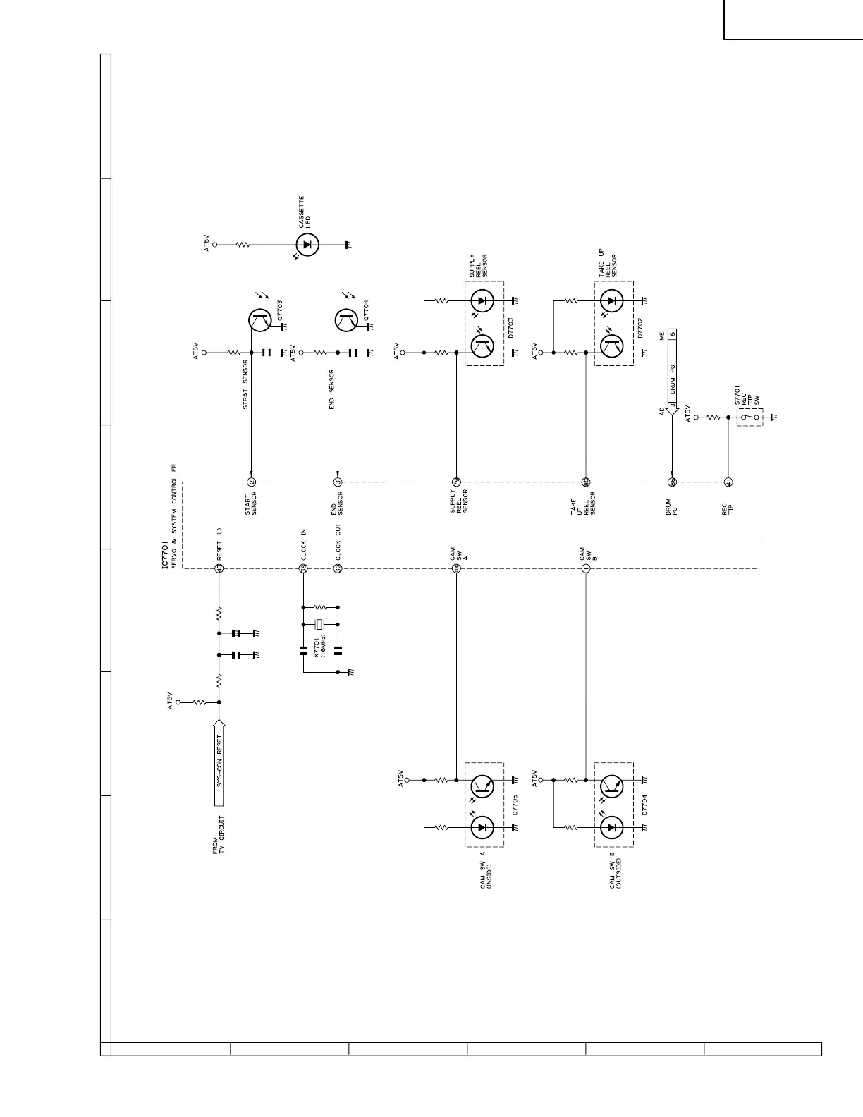
BLOCK DIAGRAM OF VCR SECTION
Ë SAFETY DEVICE BLOCK DIAGRAM

Related product manuals