EasyManua.ls Logo

Sharp VT-G14 - Page 87

Sharp VT-G14
121 pages
Print Icon
To Next Page IconTo Next Page
To Next Page IconTo Next Page
To Previous Page IconTo Previous Page
To Previous Page IconTo Previous Page
Loading...
97
VT-G14
VT-G21
96
121110987654321
A
B
C
D
E
F
G
H
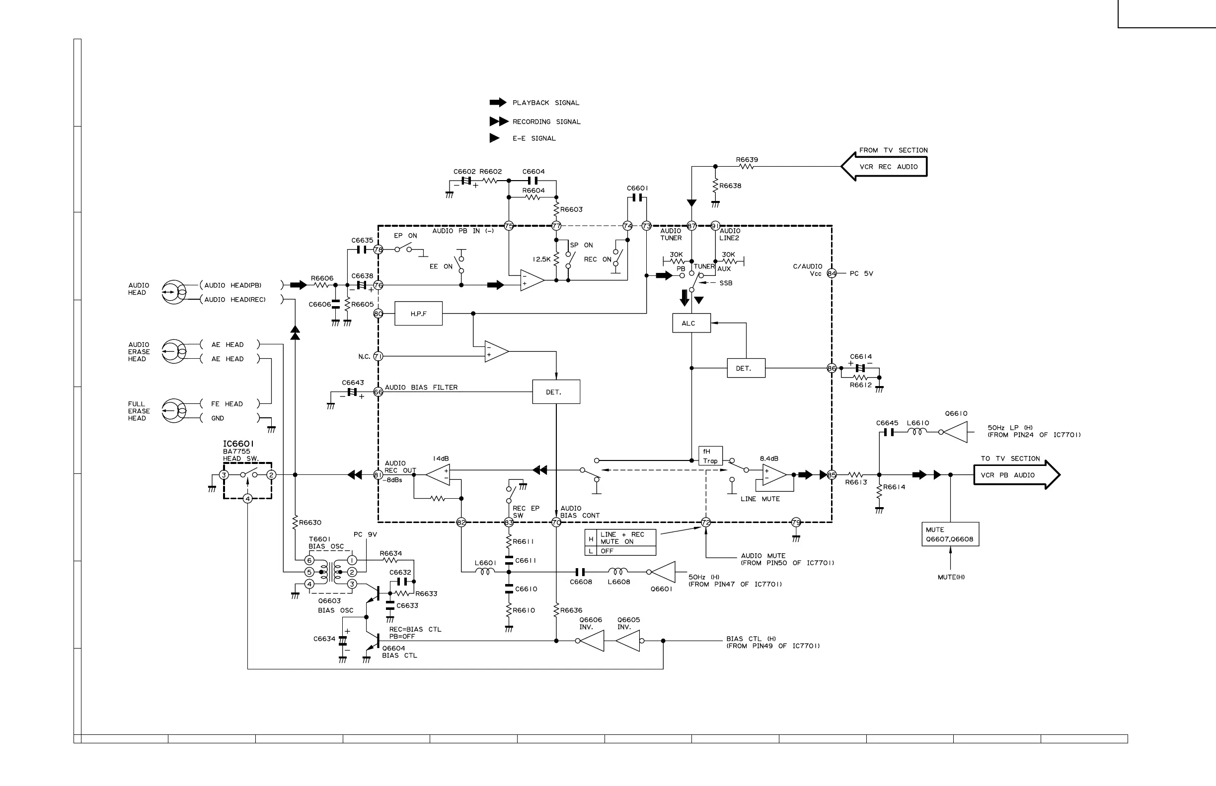
BLOCK DIAGRAM OF VCR SECTION
Ë AUDIO BLOCK DIAGRAM

Related product manuals