EasyManua.ls Logo

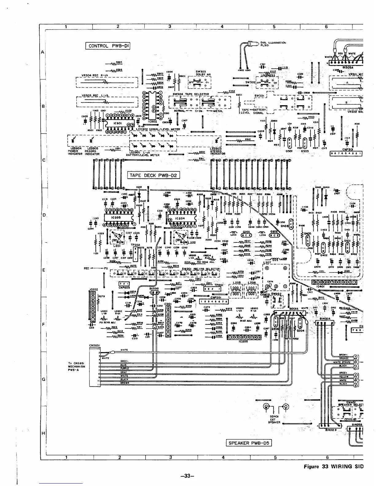
Sharp VZ-2000 - Wiring Diagram

Sharp VZ-2000
56 pages
Print Icon
To Next Page IconTo Next Page
To Next Page IconTo Next Page
To Previous Page IconTo Previous Page
To Previous Page IconTo Previous Page
Loading...

Table of Contents

Related product manuals