EasyManua.ls Logo

Sharp WF-930ZBK - Page 9

Sharp WF-930ZBK
20 pages
Print Icon
To Next Page IconTo Next Page
To Next Page IconTo Next Page
To Previous Page IconTo Previous Page
To Previous Page IconTo Previous Page
Loading...
WF-930Z
– 9 –
78 9101112
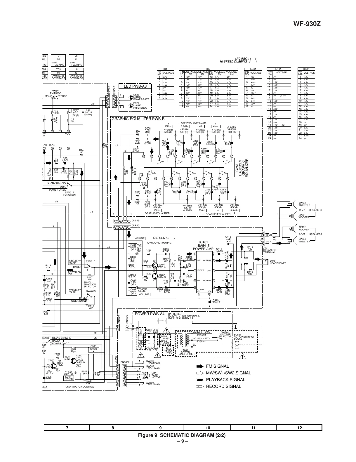
Figure 9 SCHEMATIC DIAGRAM (2/2)
0V
0V
0V
0V
<0.7V>
<0.7V>
(10.2V)
0V
0V
(0V)
(0V)
0.7V
10.9V
(6.9V)
(10.3V)
10.3V
10.9V
(10.8V)
MIC REC : < >
0.7V
1.4V
4.9V
1.4V
0V
5V
1.4V
4.9V
4.8V
1.7V
1.7V
1.7V
1.7V
1.7V
1.7V
1.6V
1.6V
5.1V
1.4V
1.6V
0V
5.6V
0V
2.3V
2.3V
6.2V
0.7V
1.7V
0V
5.7V
0V
2.3V
4.6V
0.9V
1.1V
1.7V
1.7V
1.7V
1.5V
1.6V
0.4V
5.5V
5.3V
2.3V
6.2V
0.9V
0V
1.6V
0.9V
6.2V
6.2V
0.6V
1.6V
1.5V
1.1V
1.6V
1.6V
0V
0V
0V
1.2V
1.3V
1.4V
1.3V
0V
(3.5V)
2V
1.3V
0V
0V
0.9V
0V
1.3V
2V
1.4V
5.5V
1.6V <0V>
1.4V
1.3V
1.2V
0V
0V
4.3V
4.3V
4.9V
4.9V
4.3V
4.3V
4.9V
4.9V
4.3V
4.3V
4.9V
4.9V
4.3V
4.3V
4.9V
4.9V
3.2V
2V
2V
3.2V
2.6V
2.6V
5.23V
0V
12V
9.9V
0.6V
0V
12V
10.8V
0V
0.6V
9.9V
5.9V
0V
MIC REC : < >
HI-SPEED DUBBING : ( )
5.9V
L501
22µH
R157
22K
R158
22K
C156
0.01
C155
0.01
R120
47K
R119
47K
R121
22K
5
01
8
0
W
401B
Q503
9014 C
Q504
8555 D
VR501
2.2K (B)
R508
470
R509
56K
R507
6.8K
C506
100/25
R122
22K
1
+B
+B
CNP501
2
3
4
5
6
7
8
1
CNS502
2
3
4
5
6
7
8
M
M501
TAPE
MOTOR
7
9
8
4
5
3
2
12
11
10
2
1
1
2
CNS504
2
1
CNP503
F601
T1.25A
L 250V
D603
1N5392
C603
0.02
C601
0.02
C604
0.02
C602
0.02
D601
1N5392
D602
1N5392
R118
22K
1
CNP201
2
3
4
5
6
1
CNS251
16
2
3
4
5
6
9
16 15 14 13
11 1210
C410
100/10
C409
100/10
R409
120
C417
47/25
C420
22/25
R410
120
C407
0.001
C408
0.001
R407
33K
R408
33K
C406
4.7/50
R404
1K
C405
4.7/50
Q401
9014 C
Q402
9014 C
R405
1K
R406
1K
VR401A
50K (B)
VR401B
50K(B)
C401
0.001
(ML)
C402
0.001
(ML)
R401
2.7K
R402
2.7K
C404
0.15
(ML)
C403
0.15
(ML)
C419
2200/25
C413
0.22
(ML)
C414
0.22
(ML)
C415
1000/16
C416
1000/16
R413
1K
R414
1K
R416
100
R415
100
0.012
(ML)
C32
0.012 (ML)
R16
10K
R15
10K
C35
4.7/50
C34
4.7/50
R18
2.7K
R17
2.7K
R13
1.5K
VR1
10K (B)
C25
3.3/50
R12
100K
R522
470
R14
1K
C411
100/16
C412
100/16
R403
1K
6
1
IC401
BA5415
POWER AMP.
D604
1N5392
R506
100K
C505
0.02
5
04
02
R505
10K
T601
POWER
TRANSFORMER
1
3
57
9
15
19
17 11
1012
141618202224
13
23 21
24
68
IC251
BA3822LS
GRAPHIC
EQUALIZER
C271
0.033
(ML)
C267
0.01
(ML)
C263
0.0033
(ML)
C259
0.001
(ML)
C273
1/50
C269
0.33/50
C255
4.7/50
C265
0.1
(ML)
C261
0.033
(ML)
VR253A
50K (B)
VR252A
50K (B)
VR254A
50K (B)
X-BASS
VR255A
50K (B)
VR251B
50K (B)
C253
4.7/50
C258
0.022
(ML)
R253
2.2K
R252
1K
C275
100/10
C260
0.001
(ML)
C264
0.0033
(ML)
C268
0.01
(ML)
C272
0.033
(ML)
VR254B
50K (B)
VR255B
50K (B)
X-BASS
VR253B
50K (B)
VR252B
50K (B)
C262
0.033
(ML)
C266
0.1
(ML)
C270
0.33/50
C274
1/50
VR251A
50K (B)
C256
4.7/50
C252
4.7/50
R251
1K
C257
0.022
(ML)
C254
4.7/50
R254
2.2K
C251
4.7/50
R257
330
1
1
4
CNP505
2
3
4
+B
1
CNS506
2
3
4
C26
0.0015
(Styrol)
K
SW301
FM MODE
SW401A
FUNCTION
SW401D
R117
22K
SW401C
+B
L
-CH R-CH
M
PX
IN
VCO
+
+
B
A
+
OUTPUT
GND
FILTER
NF
OUTPUT
NF
VCC
STAND
-BY
H
ING
STAND-BY/TAPE
RADIO
POWER ON/CD
TAPE
SPEED
Q504 : MOTOR CONTROL
SW502
TAPE1 MAIN
SW503
TAPE2 PLAY
SW501
TAPE2 MAIN
BATTERIES
DC12V [ “D” size (UM/SUM-1,
R20 or HP2) battery x 8
POWER PWB-A4
AC110V – 127V
50/60Hz
AC220V – 240V
50/60Hz
SW601
VOLTAGE
SELECTOR
SO601
AC POWER INPUT
SOCKET
0V
FM SIGNAL
MW/SW1/SW2 SIGNAL
PLAYBACK SIGNAL
RECORD SIGNAL
J403
HEADPHONES
Q401, Q402 : MUTING
VOLUME
VOLUME
GRAPHIC EQUALIZER
GRAPHIC EQUALIZER
10kHz
330Hz
3.3kHz1kHz
10kHz 1kHz
330Hz
3.3kHz
1
2
3
4
5
6
7
8
9
VOLTAGE
IC1
VOLTAGE
FM
VOLTAGE
AM
IC2
1
2
3
4
5
6
7
8
9
10
11
12
13
14
15
16
17
18
19
20
21
22
23
24
PIN
NO.
PIN
NO.
VOLTAGE
FM
VOLTAGE
AM
PIN
NO.
PIN
NO.
PIN
NO.
PIN
NO.
1
2
3
4
5
6
7
8
9
10
11
12
13
14
15
16
17
18
19
20
21
22
23
24
IC101
VOLTAGE
1
2
3
4
5
6
7
8
9
10
11
12
13
14
15
16
17
18
19
20
21
22
23
24
IC251
VOLTAGE
1
2
3
4
5
6
7
8
9
10
11
12
VOLTAGE
IC401
GRAPHIC EQUALIZER
GRAPHIC EQUALIZER PWB-B
J401
SPEAKERS
TERMINAL
R-CH
L-CH
SP701
WOOFER
SP702
WOOFER
R-CH
SP703
TWEETER
SP704
TWEETER
SPEAKERS
SPEAKERS
L-CH
D522
L-34HD
POWER/BATT.
D521
L-34HD
FM STEREO
VCO
STEREO
MONO
LED PWB-A3
RADIO
STAND-BY/TAPE
POWER ON/CD
POWER ON/CD
STAND-BY
/TAPE
RADIO
POWER ON
/CD
RADIO
STAND-BY
/TAPE
FUNCTION
SELECTOR
SW401 :
f
H
T
C2
NG
f
H
T
C4
A
ND
A
GE
SW2
TRACKING
fH
SW2 BAND
COVERAGE
fH
L8
fL
SW2 BAND
COVERAGE
L5
fL
SW2
TRACKING
TC1
TC3
+B
+B
+B
+B
+B
+B
All manuals and user guides at all-guides.com

Related product manuals