EasyManua.ls Logo

Sharp WF-930ZBK - Schematic Diagram; Wiring Side of P.w.board

Sharp WF-930ZBK
20 pages
Print Icon
To Next Page IconTo Next Page
To Next Page IconTo Next Page
To Previous Page IconTo Previous Page
To Previous Page IconTo Previous Page
Loading...
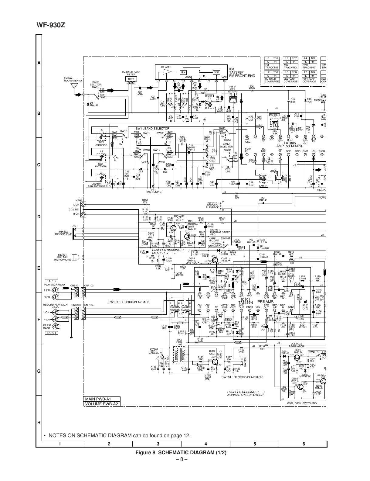
WF-930Z
A
B
C
D
E
F
G
H
1
2
34 5
6
– 8 –
• NOTES ON SCHEMATIC DIAGRAM can be found on page 12.
Figure 8 SCHEMATIC DIAGRAM (1/2)
4.6V
0.6V
0.4V
12V
7.6V
8.2V
0V
(0V)
(0.7V)
0V
(0V)
0.7V
(10.2V)
0V
0
(
(0V)
0.7V
<0V>
<0V>
<0.7V>
(0.7V)
(0V)
0.1V
0.7V
2.2V
HI-SPEED DUBBING : ( )
NORMAL SPEED : OTHER
(0V)
HI-SPEED DUBBING : ( )
MIC REC : < >
SW101D
SW101B
SW101C
SW101A
12
3
4
5
6
7
89
10 11 12
24 23 22
21 20
19 18 17 16 15 14 13
L102
22mH
SW101E
L104
2.7mH
L103
2.7mH
SW101F
RECORD/
PLAYBACK
C125
150P
C126
150P
IC101
TA8189N
C122
130P
R124
1.2K
C120
4.7/50
R116
220
C118
0.015
(ML)
R131
10K
Q105
8050 D
R127
100
R126
47
C132
0.012
(ML)
C134
100/10
C130
0.02
C129
0.001 (ML)
C127
120P
C128
330P
R132
220
C136
22/16
R133
1M
C119
4.7/50
R157
22K
R158
22K
C156
0.01
C155
0.01
R120
47K
R115
220
C117
0.015
(ML)
R119
47K
R112
180K
C152
330P
R111
180K
C151
330P
C114
10/25
R114
2.2K
R113
2.2K
C154
0.001
R155
330K
C153
0.001
R103
180K
R105
5.6K
R107
4.7K
C108
0.033
(ML)
C107
0.033
(ML)
R162
68K
R161
68K
R102
56
R101
56
C103
820P
C102
820P
C101
820P
R110
22K
R109
22K
D102
1N4148
D103
1N4148
C110
4.7/50
R129
10K
R130
10K
C135
22/16
R135
10K
C138
2200/10
C109
4.7/50
Q103
9014 C
LINE AMO.
C121
130P
R123
1.2K
D104
1N4148
D503
1N4148
R510
22K
C149
10/25
R134
10K
D101
1N4148
D5
1N4148
D6
1N4148
C147
10/25
R146
10K
C148
47/10
R148
220
MIC
MUTING
Q102
9014 C
C146
1/50
R144
47K
MIC AMP.
Q101
9014 C
R143
68
C145
220P
R142
330K
C144
1/50
R141
4.7K
C143
0.001
R139
100
R140
1K
C141
1/50
C140
10/25
R137
8.2K
R138
1K
R151
47K
R153
2.2K
R152
2.2K
R150
47K
D4
1N4148
R121
22K
D501
1N4148
Q501
8050 D
R502
100
R501
680
C507
0.02
C502
0.02
SW401B
Q502
9014 C
R503
10K
R504
10K
Q503
9014 C
R122
12
3
4
5
6
7
89
1920 17 16 1518
10
22
21
24
23
C19
0.02
C17
10/25
C40
0.001
R5
100
C9
0.02
C39
0.001
98
7
6
5
4
3
21
T1
C12
3P (CH)
TC7
C10
5P
(CH)
TC2
TC1
SW1FSW1H
L3
L5
L4
12
3
C42
4.7/50
IC2
LA1805
AMP. & FM MPX.
C30
0.04
C31
22/16
CF2
460kHz
C33
0.012 (ML)
C32
0.012 (ML)
R
1
1
0
R
1
1
0
C29
0.02
C28
100/10
C25
R
1
10
0
C24
3.3/50
R11
22K
C23
0.0082
(ML)
T2
R9
3.9K
D2
1N4148
C7
3P
(CH)
C8
15P
(CH)
C41
0.02
C4
5P
(CH)
C44
0.02
R1
100
TC6
TC5
VC6
VC5
C5
0.05
C27
1/50
C43
0.02
SW1A
C38
5P (CH)
C37
5P
(CH)
C15
0.0047
(styrol)
C13
300P
C16
10P
(CH)
TC8
TC3
TC4
D1
1N4148
R8
100
1
CNP102
2
3
1
CNS101
2
3
1
CNP104
2
3
1
CNS103
2
3
44
MIC101
BUILT-IN
MICROPHONE
J102
BPF1
C3
20P
(CH)
C1
10P
(CH)
C2
0.001
C6
27P (RH)
R4
47
C20
0.0039
(ML)
C22
470P
C21
0.04
C137
2.2/50
C111
4.7/50
C113
10/25
C112
4.7/50
C150
22/16
R154
100
R147
10K
C18
0.02
R6
47
L7
SW1
OSC.
L6
MW
OSC.
C14
0.0015
(Styrol)
C11
5P
(CH)
C36
5P
(CH)
IC1
TA7378P
FM FRONT END
R3
220K
J101
T3
C131
0.0082
(ML)
R125
27K
R128
100
R108
4.7K
R106
5.6K
C106
33/10
R104
180K
C105
33/10
C505
0.02
C503
220/10
D502
MTZJ8.2C
C504
0.02
R
1
R2
33
L1
L2
SW1C
R10
470K
SW
3
FM M
SW1E
R7
47
VC8
VC7
SW1BSW1D
C142
0.018
(ML)
R145
4.7K
R159
22K
D105
1N4148
R149
4.7K
SW103B
C104
820P
L101
22mH
R136
4.7K
FM/SW
ROD ANTENNA
GND
+B
REC
IN
REC
NF
REC
OUT
M/N
GND1
MIX
OUT
PRE
OUT
MATAL
OUT
NF
CH1
/B
CH1
/A
CH2
/A
CH2
/B
NF
MATAL
OUT
PRE
OUT
A/B
VCC REC
OUT
REC
NF
REC
IN
ALC
FM IF
IN
AM
MIX
AM
IF
GND GND GND
L-CH R-CH
MPX
IN
FM
DET
OUT
AM
DET
VCCAM
RF
AM
OSC
OSC
RF AMP.
VCCGND
1
2
3
1
2
3
L-CH
R-CH
RECORD/PLAYBACK
HEAD
PLAYBACK HEAD
ERASE
HEAD
L-CH
R-CH
L-CH
R-CH
TAPE2
TAPE1
SW101 : RECORD/PLAYBACK
RPRP
RPRP
BIAS
OSC.
L105
BCA
SW102
BEAT
CANCEL
R
+B
+B
P
BIAS
OSC.
VOLTAGE
REGULATOR
Q502, Q503 : SWITCHING
ST
A
RA
D
PO
W
FM DET
FM IF
CF1
10.7MHz
FM IF
FM
OSC.
FM RF
FM BAND PASS
FILTER
FM
SW1
SW2
MW
SW2
SW1
FM
MW
MW/SW1
BAR ANTENNA
SW2
ANTENNA
SW1
ANTENNA
MONO
SW2
MW
FM
SW1
FM
MW
SW1
SW2
BAND
SELECTOR
SW2
OSC.
L8
FT1
FINE TUNING
SW2
SW1
MW
FM
SW2
SW1
MW
FM
MW
SW1
MW
SW1
SW2
SW2
FM
FM
BAND
SELCTOR
SW1G
CD/LINE
MIXING
MICROPHONE
P
R
OFF/MIC ON
HIGH/
MIC OFF
NORMAL
+B
SW103 :
DUBBING SPEED
/MIC
PRE AMP.
VOLUME PWB-A2
MAIN PWB-A1
AM IF
AM IF
STAND
-
POW
E
FM
TRACKING
fHfL
L1 TC5
fHfL
L2 TC6
FM BAND
COVERAGE
fHfL
L3 TC7
MW
TRACKING
fHfL
MW BAND
COVERAGE
L6 TC8
fHfL
L4 TC2
SW1
TRACKING
fHfL
L7 TC4
SW1 BAND
COVERAGE
SW
2
TR
A
SW
2
CO
V
SW1 : BAND SELECTOR
SW101 : RECORD/PLAYBACK
MIX
+B
+B
+B
+B
+
+B
+B
+B
All manuals and user guides at all-guides.com

Related product manuals