EasyManua.ls Logo

Shibaura ST440 - ROPS, Fender, Cover, Toolbox, Flames Removal; Rear Wiring Removal; Oil Pipes, Oil Filter Removal

Default Icon
212 pages
Print Icon
To Next Page IconTo Next Page
To Next Page IconTo Next Page
To Previous Page IconTo Previous Page
To Previous Page IconTo Previous Page
Loading...

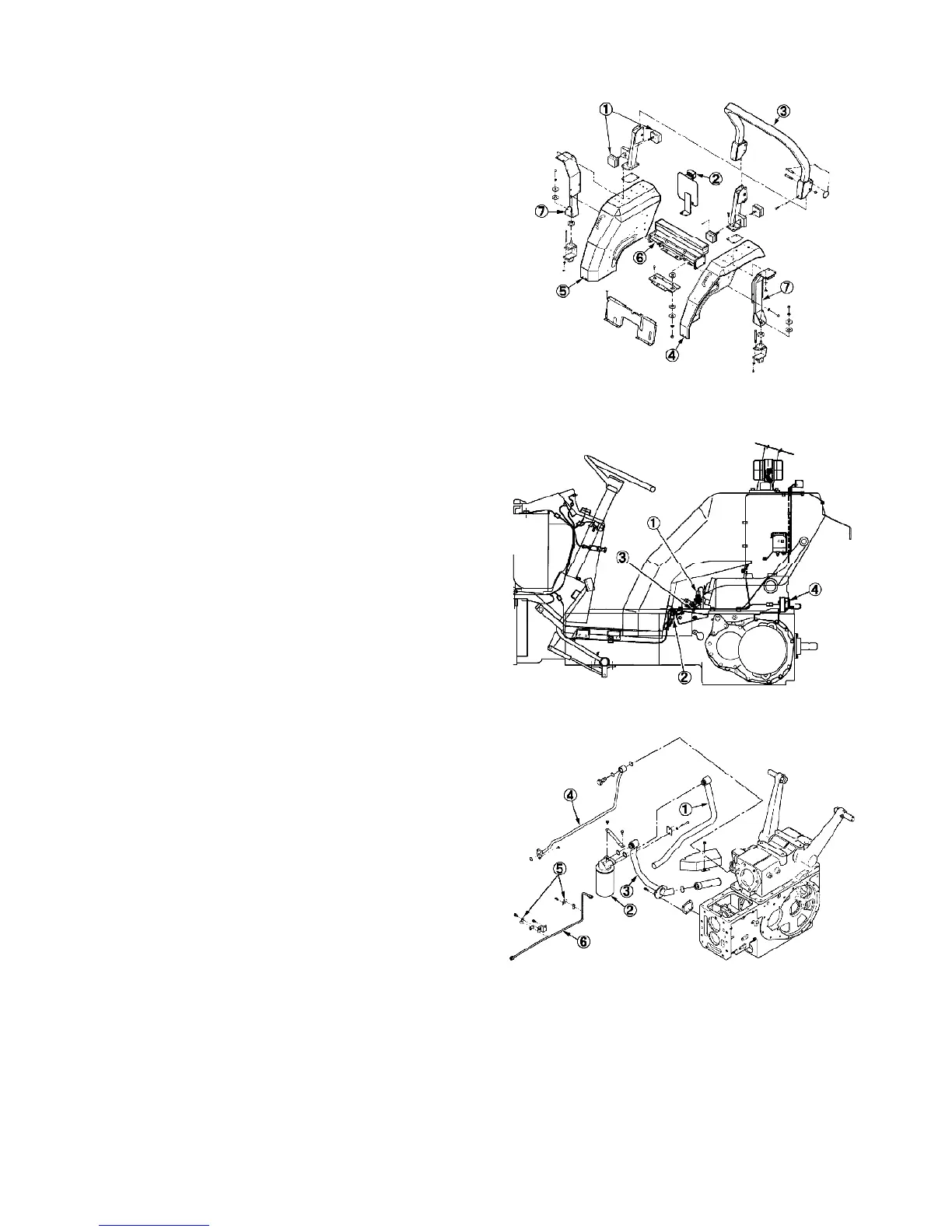
# !$.7-.;8?.;%885+8A5*6.<
9C3?>>53DD853?>>53D?BC6B?=D85"1>4(
3?=29>1D9?><1=@C1>4<935>C5<1=@
 ?<4 D85 (%&)  2I D85 8?9CD 1>4 B5=?F5 D85
(%&)B5D19>9>72?<DC1>4(%&)6B?=D85DB13D?B
 9C3?>>53D D85 3?>>53D?B 1>4 B5=?F5 D85 (
1>4"65>45BC1>46B?=D85DB13D?B
(5=?F5D853?F5B
(5=?F5D85D??<2?H1>435>D5B6<1=56B?=D85
3I<9>45B8?EC9>7
 (5=?F5 D85 2?DD?= 6<1=5  6B?= D85 B51B 1H<5
8?EC9>7
#.*;@2;270
9C3?>>53DD853?>>53D?BC6B?=&*% 3<ED38C165DI
CG9D38  @1B;9>7 2B1;5 @9<?D <1=@ CG9D38 
7B?E>4D5B=9>1<1>4 DB19<5B C?3;5D
 25929.< 25/25=.;
(5=?F5D85CE3D9?>?9<@9@56B?=D85?9<69<D5B
(5=?F5D85?9<69<D5B1>4?9<@9@56B?=D85
DB1>C=9CC9?>8?EC9>7
 (5=?F5 D85 8978@B5CCEB5 ?9< @9@5  6B?= D85
3I<9>45B8?EC9>7
(5=?F5D853B1=@1>4D85?9<@9@56?BD85
&*%3?>DB?<F1<F5
0
0
0

Table of Contents

Related product manuals