EasyManua.ls Logo

Shibaura ST440 - Transmission 1 for 12 X 12 Disassembly

Default Icon
212 pages
Print Icon
To Next Page IconTo Next Page
To Next Page IconTo Next Page
To Previous Page IconTo Previous Page
To Previous Page IconTo Previous Page
Loading...

!!!&
"7/;+8.',9
 , 45: 8+35<+* :'1+ 5;: :.+ 6/4 *+:+4: 968/4-9
'4* *+:+4: ('229 ,58 :.+ 9.;::2+ 9./,: -+'89 '4*
3'/49./,:-+'89,853 /4:.+ .5;9/4-
8/<+5;::.+ #*8/<+9.',::58+'8='8*
 !./,9+7 (588 !./,9+7 ,571 '/4
89

4*
 !./,9+7
75*
 8/<+ 5;: :.+ 968/4- 6/49 ,853 :.+ 9./,:+8 (599
'4*9./,:+8 ,581
9:

4*
 !+35<+:.+9./,:+8(599'4**8'=5;::.+9./,:+8
85*
9:

4*

 !+35<+ :.+9./,:+8,581
9:

4*

"
**) *( (&
(

*
**%+*(#'&) * &%
!./,9+7(588!./,9+775*!./,9+7 ,571
7*

9.
 8/<+ 5;: :.+ 968/4- 6/49 ,853 :.+ 9./,:+8 (599
'4*9./,:+8,581
 !+35<+:.+9./,:+8(599'4**8'= 5;::.+9./,:+8
85*
8*

:.
 !+35<+:.+9./,:+8,581
8*

:.
"
%*) *((& )(-&+*)*###%
#" ' % - ## (&' %*& * &+) % " (
%&**&$ ))*$
 $&, * )'( % (&$ % * &+) % -  )
%)*##+%(*)*###
&
&
&
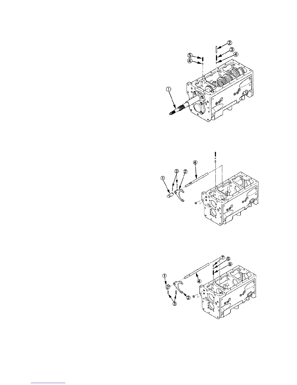
 #8/<+9.',: +:+4:'22
 /4".;::2+9./,:  "68/4-'/49./,:
"68/4-".;::2+9./,:
 "./,:+8(599
 "./,:+8,581
9:

4*
 "68/4-6/4
 "./,:+885*
9:

4*
 "./,:+8(599
 "./,:+8,5818*:.
 "68/4-6/4
 "./,:+885*8*:.
 ":++2('22
 "68/4-
 ';216/4

Table of Contents

Related product manuals