EasyManua.ls Logo

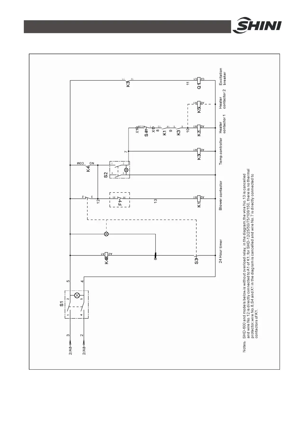
Shini SHD-200 - 24.4 Control Circuit SHD-12 T~1000 T (400 V)

Shini SHD-200
111 pages
Print Icon
To Next Page IconTo Next Page
To Next Page IconTo Next Page
To Previous Page IconTo Previous Page
To Previous Page IconTo Previous Page
Loading...
89(111)
24.4 Control Circuit SHD-12T~1000T (400V)

Related product manuals