EasyManua.ls Logo

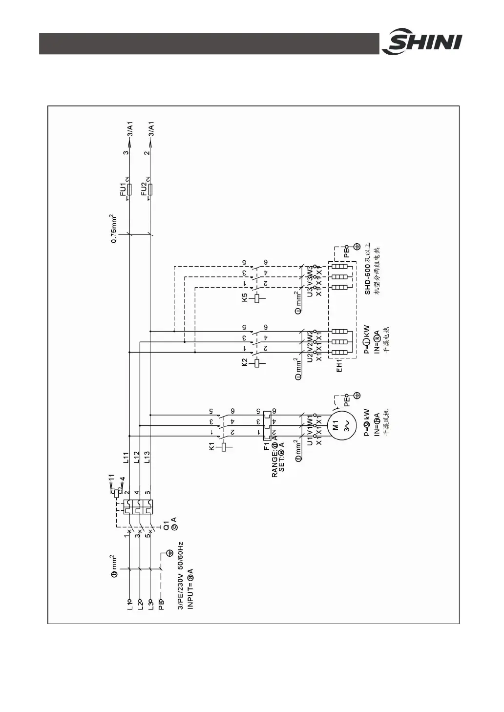
Shini SHD-25 - Main Electrical Circuits (230 V)

Shini SHD-25
111 pages
Print Icon
To Next Page IconTo Next Page
To Next Page IconTo Next Page
To Previous Page IconTo Previous Page
To Previous Page IconTo Previous Page
Loading...
48(111)
12.9 主电路图 SHD-12~1000 (230V)