EasyManua.ls Logo

Shini SHD-25 - Page 89

Shini SHD-25
111 pages
Print Icon
To Next Page IconTo Next Page
To Next Page IconTo Next Page
To Previous Page IconTo Previous Page
To Previous Page IconTo Previous Page
Loading...
89(111)
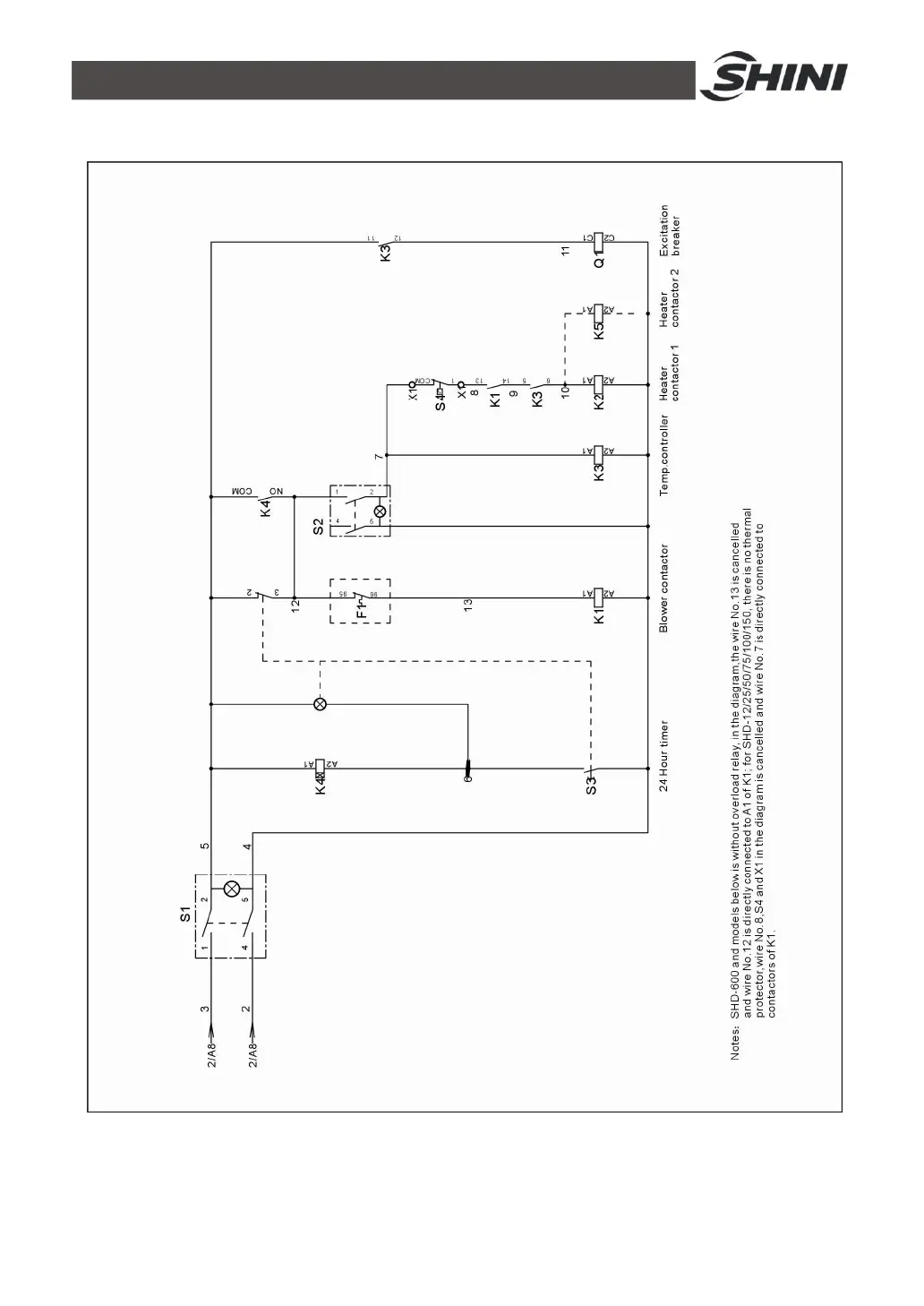
24.4 Control Circuit SHD-12T~1000T (400V)