EasyManua.ls Logo

Shini STM-910 - Main Circuit Diagram (STM-3650, 400 V)

Shini STM-910
108 pages
Print Icon
To Next Page IconTo Next Page
To Next Page IconTo Next Page
To Previous Page IconTo Previous Page
To Previous Page IconTo Previous Page
Loading...
51(108)
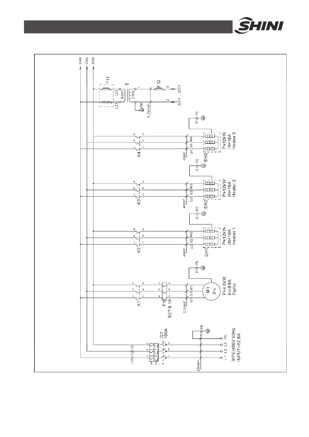
2.3.14 Main Circuit (STM-3650) (400V)
Picture 2-18Main Circuit (STM-3650) (400V)

Table of Contents