EasyManua.ls Logo

Shining KF-34GW - Page 32

Default Icon
62 pages
Print Icon
To Next Page IconTo Next Page
To Next Page IconTo Next Page
To Previous Page IconTo Previous Page
To Previous Page IconTo Previous Page
Loading...
31
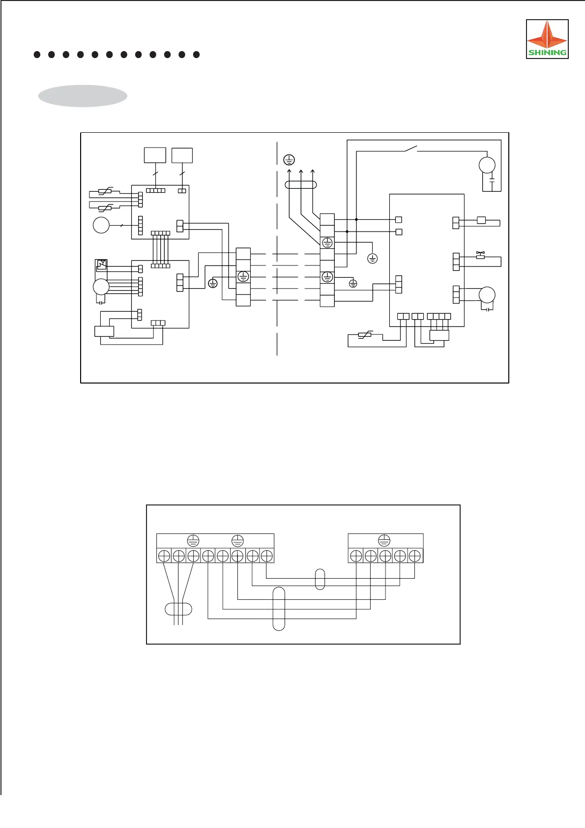
LN
N
1
2
Brown
Brown
Brown
Blue
Blue
Blue
green/
Yellow
green/Yellow
green/Yellow
Outdoor unit
Indoor unit
Yellow
Yellow
Red
Red
12L1 N1
L
Connecting diagram of 24000Btu indoor and outdoor
Models: 24000Btu
L
N
1
2
L
1
N
1
2
L
N
L
N
BX
M3
C2
K
56
M4
C
K
4
1
CN306
CN305
L
N
CN301
CN302
FAN2
COM1<V>
COM<C>
AP5
CN106
L
N
CN103
BX
C1
AP4
TRANS2
TRANS1
CN104
CN105
CN101
CN2
CN3
CN110
DISP
T1
T2
SW
AP1 AP2
62
5
AP3
M1
M2
~
~
~
~
Step
motor
Fan
motor
Transformer
Compressor
Indoor unit
Outdoor unit
4-way valve
Signal
receiver
Fan
motor
Temp. sensor
Heat protection
Connector
Connector
Temp. sensor
Relay
Relay
Temporary
switch
1
Heat pump
Wiring diagram

Related product manuals