EasyManua.ls Logo

SIATA V360 - Page 22

SIATA V360
25 pages
Print Icon
To Next Page IconTo Next Page
To Next Page IconTo Next Page
To Previous Page IconTo Previous Page
To Previous Page IconTo Previous Page
Loading...
S.I.A.T.A. S.r.l Società Italiana apparecchiature trattamento acqua MAN0031 BOZZA Pag. 22 of
25
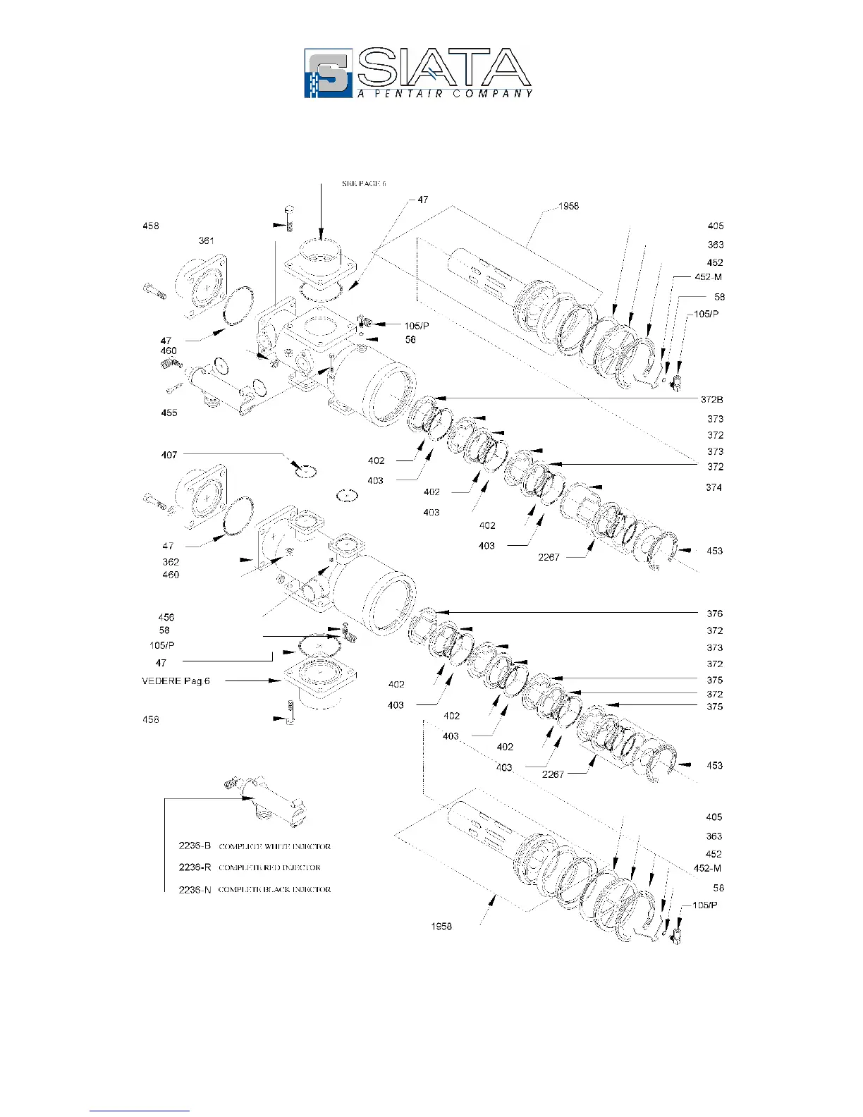
BASIC COMPONENTS FOR V360
SOFTENING AND DEMINERALISATION

Related product manuals