EasyManua.ls Logo

Siemens 73N12F - Page 3

Siemens 73N12F
11 pages
Print Icon
To Next Page IconTo Next Page
To Next Page IconTo Next Page
To Previous Page IconTo Previous Page
To Previous Page IconTo Previous Page
Loading...
SD73
There are many types of synthetic lubricants. Some may not be compatible with the materials used in the
construction of the positioner. Wetting of these materials by such an oil mist or oil vapor, etc., may cause them to
deteriorate. This may ultimately result in failure of the positioner. The following materials are in contact with supply
air: Aluminum, Brass, Stainless Steel, Neoprene and Buna-N.
The requirements for a quality air supply can be found in the Instrument Society of America's "Quality Standard for
Instrument Air" (ISA-S7.3). Basically this standard calls for the following:
Particle Size — Maximum particle size in the air stream should be no larger than 3 microns.
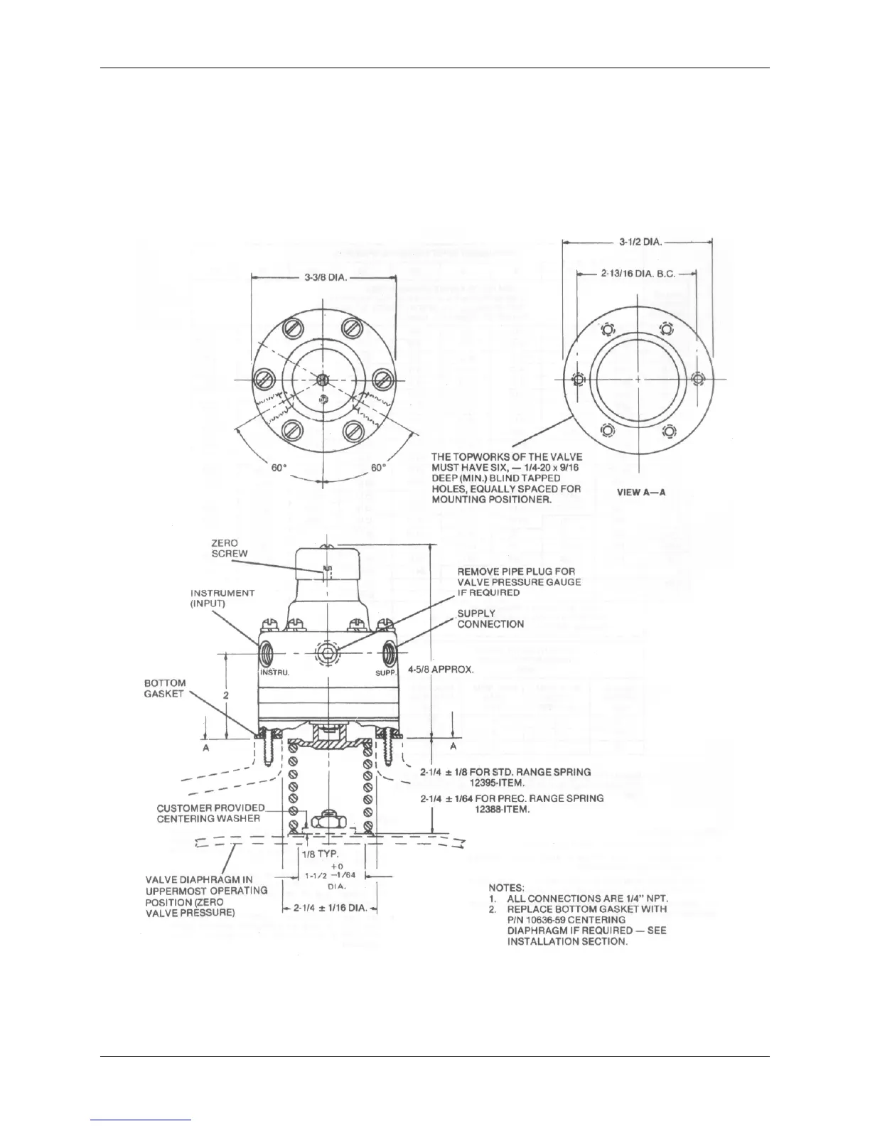
Figure 1 Installation Dimensions and Connections
3

Related product manuals