EasyManua.ls Logo

Siemens 7SJ511 - Page 12

Siemens 7SJ511
152 pages
Print Icon
To Next Page IconTo Next Page
To Next Page IconTo Next Page
To Previous Page IconTo Previous Page
To Previous Page IconTo Previous Page
Loading...
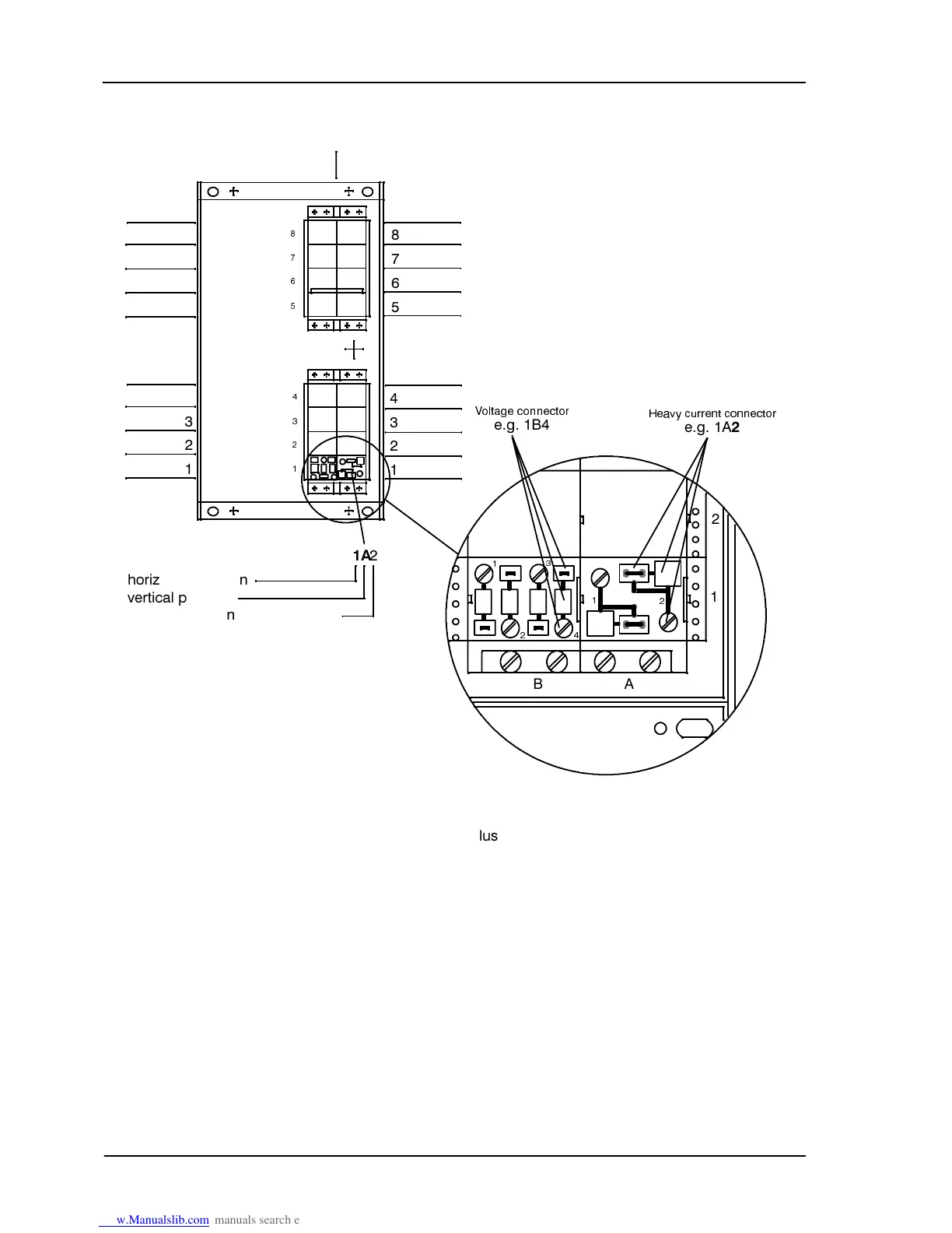
'HVLJQ6- 9
&*&

+HDY\ FXUUHQW FRQQHFWRU
HJ $
9ROWDJH FRQQHFWRU
HJ %
$
%$
%$
KRUL]RQWDO SRVLWLRQ
YHUWLFDO SRVLWLRQ
FRQVHFXWLYH FRQQHFWLRQ QXPEHU
)LJXUH  &RQQHFWLRQ SOXJV UHDU YLHZ KRXVLQJ IRU IOXVK PRXQWLQJ H[DPSOH
www . ElectricalPartManuals . com

Related product manuals