EasyManua.ls Logo

Siemens 7SJ511 - Page 32

Siemens 7SJ511
152 pages
Print Icon
To Next Page IconTo Next Page
To Next Page IconTo Next Page
To Previous Page IconTo Previous Page
To Previous Page IconTo Previous Page
Loading...
0HWKRG RI RSHUDWLRQ6-
9
&*&

7  , ! H [ S L U H G
,
/
!
,
/
!
,
/
!
$QQXQFLDWLRQ
%ORFN ,!
,! )DXOW /
|
7  , !
,! 7ULS
2& 3K RII
,! )DXOW /
,! )DXOW /
7  , !
7  , !
,
(
!
|
7,(!
%ORFN ,(!
,(! 7ULS
!,! EORFN
!,(! EORFN
,! )DXOW
|
2&(RII
,(! )DXOW (
6ZLWFK RII
2& SKDVHV
6ZLWFK RII
2& HDUWK
2& *HQ7ULS
7,(! H[SLUHG
,!! 7ULS
,
(
!!
!,(!! EORFN
,!! )DXOW
7,(!! H[SLU
%ORFN ,!!
,!! )DXOW /
|
,!! )DXOW /
,!! )DXOW /
|
7,(!!
,(!! 7ULS
!,!! EORFN
,(!! )DXOW (
|
2& *HQ)DXOW
,
/
#
,
/
#
,
/
#
7  , ! !
7  , ! !
7  , ! !
|
|
7ULS
7,!! H[SLUHG
%ORFN ,(!!
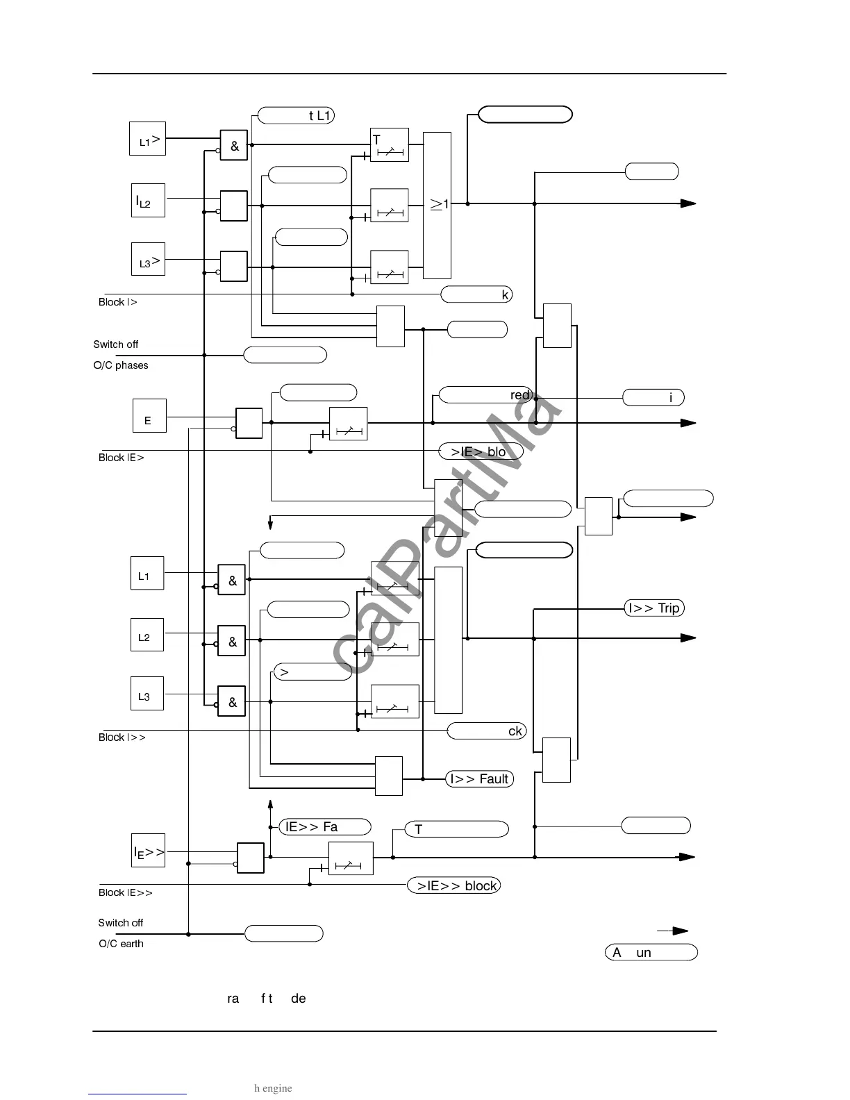
)LJXUH  /RJLF GLDJUDP RI WKH GHILQLWH WLPH RYHUFXUUHQW SURWHFWLRQ
www . ElectricalPartManuals . com

Related product manuals