EasyManua.ls Logo

Siemens 7SJ511 - Page 34

Siemens 7SJ511
152 pages
Print Icon
To Next Page IconTo Next Page
To Next Page IconTo Next Page
To Previous Page IconTo Previous Page
To Previous Page IconTo Previous Page
Loading...
0HWKRG RI RSHUDWLRQ6-
9
&*&

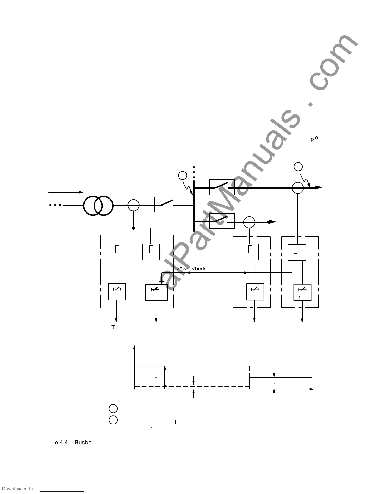
 )DVW EXVEDU SURWHFWLRQ XVLQJ UHYHUVH LQWH UORFNLQJ VFKHPH
(DFK RI WKH RYHUFXUUHQW VWDJHV FDQ EH EORFNHG YLD
ELQDU\ LQSXWV RI WKH UHOD\ $ VHWWLQJ SDUDPHWHU GHWHU
PLQHV ZKHWKHU WKH ELQDU\ LQSXW RSHUDWHV LQ WKH lQRU
PDOO\ RSHQl LH HQHUJL]H LQSXW WR EORFN RU WKH lQRU
PDOO\ FORVHGl LH HQHUJL]H LQSXW WR UHOHDVH PRGH
7KXV WKH RYHUFXUUHQW WLPH SURWHFWLRQ FDQ EH XVHG
DV IDVW EXVEDU SURWHFWLRQ LQ VWDU FRQQHFWHG QHW
ZRUNV RU LQ RSHQ ULQJ QHWZRUNV ULQJ RSHQ DW RQH OR
FDWLRQ XVLQJ WKH lUHYHUVH LQWHUORFNl SULQFLSOH 7KLV
LV XVHG LQ KLJK YROWDJH V\VWHPV LQ SRZHU VWDWLRQ
DX[LOLDU\ VXSSO\ QHWZRUNV HWF LQ ZKLFK FDVHV D
WUDQVIRUPHU IHHGV IURP WKH KLJKHU YROWDJH V\VWHP
RQWR D EXVEDU ZLWK VHYHUDO RXWJRLQJ IHHGHUV UHIHU WR
)LJXUH 
l5HYHUVH LQWHUORFNLQJl PHDQV WKDW WKH RYHUFXUUHQW
WLPH SURWHFWLRQ FDQ WULS ZLWKLQ D VKRUW WLPH 7,!!
ZKLFK LV LQGHSHQGHQW RI WKH JUDGLQJ WLPH LI LW LV QRW
EORFNHG E\ SLFNXS RI RQH RI WKH QH[W GRZQVWUHDP
RYHUFXUUHQW WLPH UHOD\V )LJXUH  7KHUHIRUH WKH
SURWHFWLRQ ZKLFK LV FORVHVW WR WKH IDXOW ZLOO DOZD\V WULS
ZLWKLQ D VKRUW WLPH DV LW FDQQRW EH EORFNHG E\ D UHOD\
EHKLQG WKH IDXOW ORFDWLRQ 7KH WLPH VWDJHV ,! RU ,
S
RS
HUDWH DV GHOD\HG EDFNXS VWDJHV
,!!
7  , ! 7  , ! !
,!
,!
,!
W
W
7ULS 7ULS 7ULS 7ULS
,QIHHG GLUHFWLRQ
$
%
W
7  , !
7  , ! !
W
)DXOW ORFDWLRQ $ WULSSLQJ WLPH 7,!!
)DXOW ORFDWLRQ % WULSSLQJ WLPH W
EDFNXS WLPH 7,!
!,!! EORFN
)LJXUH  %XVEDU SURWHFWLRQ XVLQJ UHYHUVH LQWHUORFNLQJ SULQFLSOH
www . ElectricalPartManuals . com

Related product manuals