EasyManua.ls Logo

Siemens 7UT512

Siemens 7UT512
248 pages
To Next Page IconTo Next Page
To Next Page IconTo Next Page
To Previous Page IconTo Previous Page
To Previous Page IconTo Previous Page
Loading...
0HWKRG RI RSHUDWLRQ87
9
&*&
,
6
7
$
%
!
,
'
,
)
)
!
&
K
D
U
D
F
W
H
U
L
V
W
L
F
,
Q
U
X
V
K
V
W
D
E
L
O
L
]
D
W
L
R
Q
Q
G
K
D
U
P
R
Q
L
F
+
D
U
P
R
Q
L
F
V
W
D
E
L
O
L
]
D
W
L
R
Q
U
G
W
K
R
U
W
K
6
D
W
X
U
D
W
L
R
Q
V
W
D
E
L
O
L
]
D
W
L
R
Q
+
L
J
K
F
X
U
U
H
Q
W
W
U
L
S
I
X
U
W
K
H
U
S
K
D
V
H
V
I
X
U
W
K
H
U
S
K
D
V
H
V
B
I
X
U
W
K
H
U
S
K
D
V
H
V
I
X
U
W
K
H
U
S
K
D
V
H
V
!
B!
B!
B!
'LII *HQ )OW
'LII! 7 VWDUW 'LII! 7ULS
'LII 7ULS /
7
'
(
/
$
<
!
'LII! /
7
'
(
/
$
<
!
B!
'LII!! 7ULS
%ORFN +DUP /
%ORFN 6DW /
'LII!! 7 VWUW
7
'
(
/
$
<
!
!
'LII!! /
7
'
(
/
$
<
!
!
I
X
U
W
K
H
U
S
K
D
V
H
V
B!
'LII *HQ7ULS
7
5
(
6
(
7
7ULSSLQJ
PDWUL[
%ORFN
WULSSLQJ
$QQXQFLDWLRQ
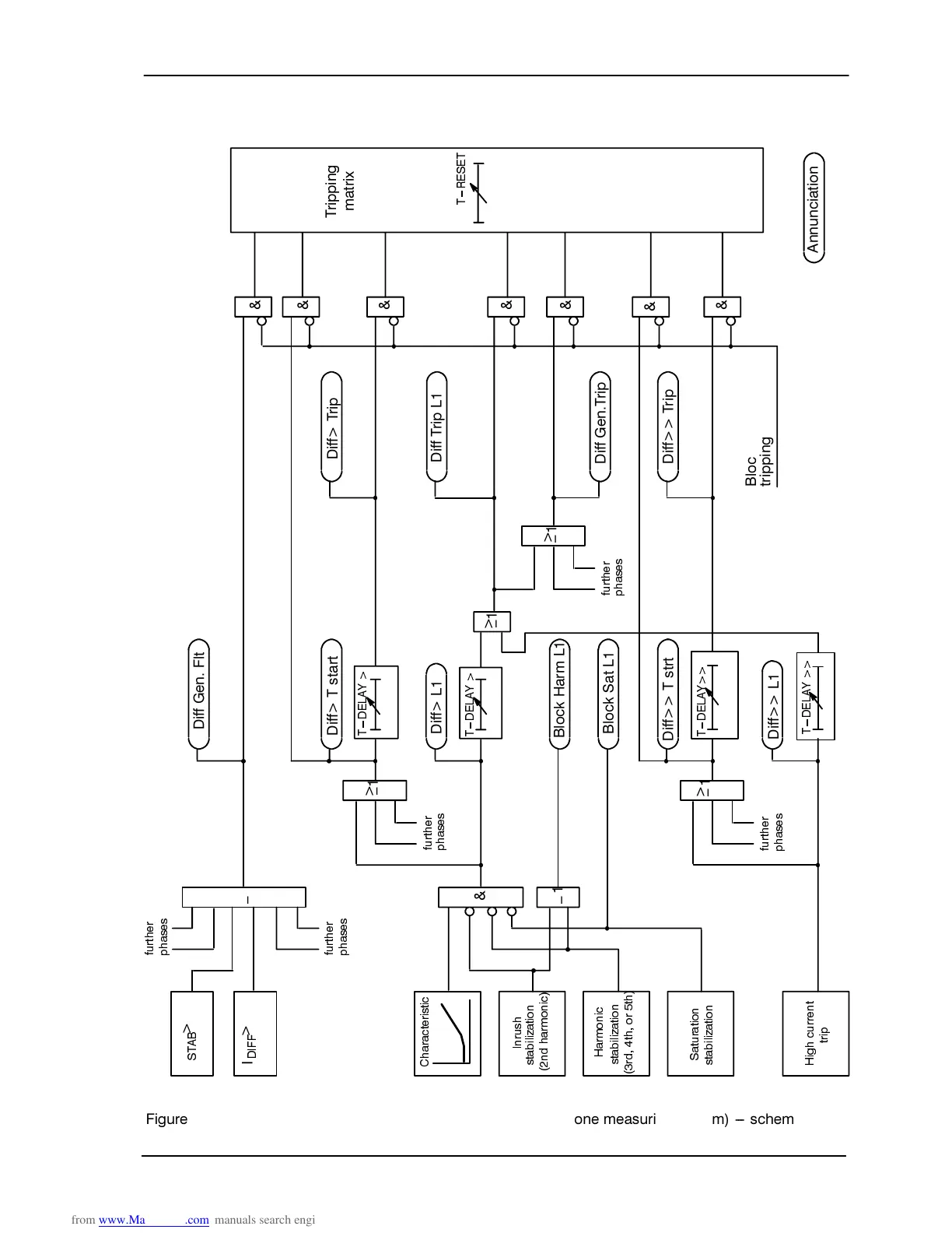
)LJXUH  7ULSSLQJ ORJLF RI WUDQVIRUPHU GLIIHUHQWLDO SURWHFWLRQ RQH PHDVXULQJ V\VWHP VFKHPH
www . ElectricalPartManuals . com

Related product manuals