EasyManua.ls Logo

Siemens GMSG-GCB - Page 25

Siemens GMSG-GCB
68 pages
Print Icon
To Next Page IconTo Next Page
To Next Page IconTo Next Page
To Previous Page IconTo Previous Page
To Previous Page IconTo Previous Page
Loading...
25
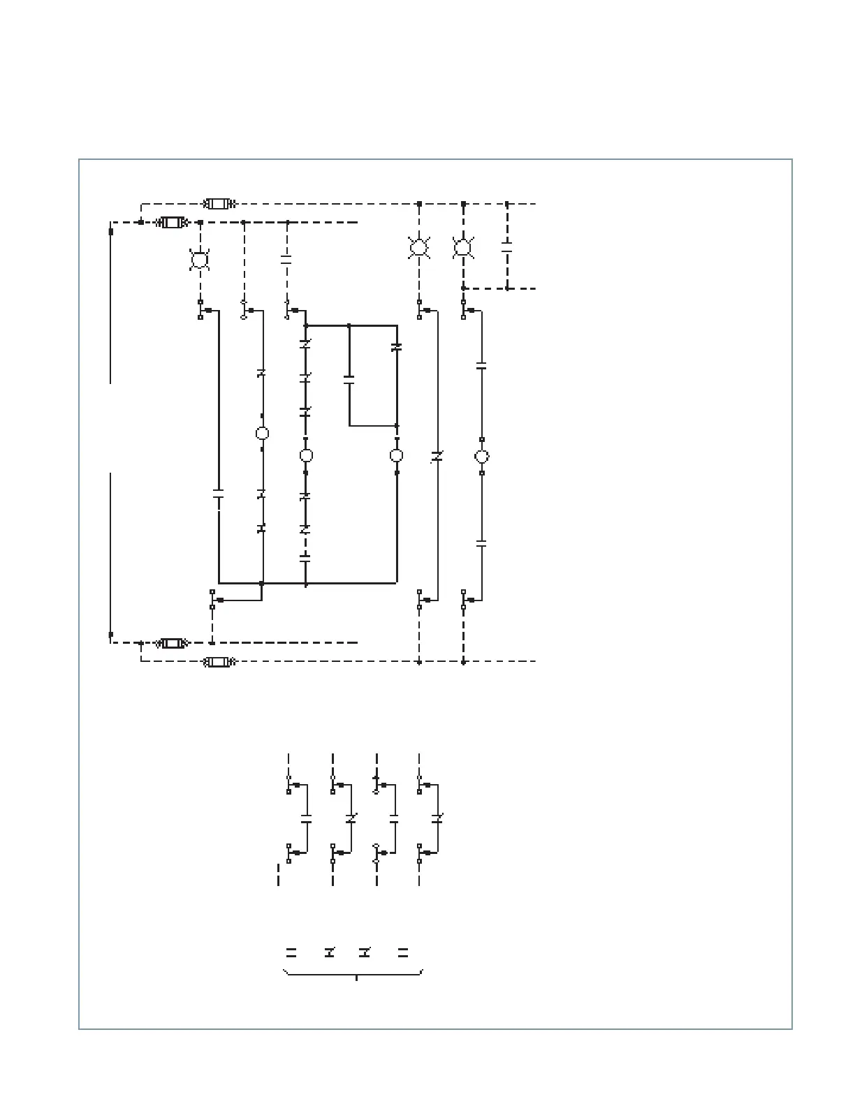
Figure 18: Typical elementary diagram
88 (M1) - Spring-charging motor
52a (S1) - Auxiliary switch is open when circuit
breaker is open
52b (S1) - Auxiliary switch is closed when circuit
breaker is open
LS3 (S3) - Anti-pump circuit is open when closing
spring is charged
LS8 (S8) - Open close circuit when trip button is
depressed
LS9 (S9) - Closing spring position switch is open
when closing spring is discharged
LS12 (S12) - Opens close circuit when circuit
breaker is in transit
LS13 (S13) - Opens motor circuit when circuit
breaker is in transit
LS21, LS22 (S21, S22) - Position switch (cut-off
motor after spring charge)
LS41 (S41) - Closing spring position switch is open
when closing spring is discharged
52SRC (Y9) - Spring-release coil (CLOSE)
52T (Y1) - Shunt trip coil
52Y (K1) - Closing relay (anti-pump)
XO (SD) - Secondary disconnect
G - Green indicating light (TRIP)
LS - Spring-charged switch
CF - Circuit breakerr control fuse (CLOSE)
TF - Circuit breaker control fuse (TRIP)
MF - Circuit breaker control fuse (MOTOR)
CS/C - Control switch (CLOSE)
CS/T - Control switch (TRIP)
R - Red indicating light (CLOSED)
W - White indicating light (spring-charged).
Standard:
Shown with closing springs discharged, circuit
breaker open, circuit breaker located in disconnect,
test or connect position.
All wires are #14AWG SIS unless otherwise noted.
(+)
(-)
DC power
supply
TF
W
XO
(SD)
A2
21
52T
(Y1)
TRIP
63
64
51
52
61
62
53
54
23
24
52a
(S1)
A1
31
32
CF
21
3
XO
(SD)
16
XO
(SD)
13
CS
C
G R
CS
T
XO
(SD)
4
XO
(SD)
1
33
34
52a
(S1)
21
22
LS3
(S3)
A1
A2
52Y
(K1)
52b
(S1)
13
14
52Y
(K1)
XO
(SD)
2
XO
(SD)
14
TF
43
CF
43
XO
(SD)
15
11
12
52b
(S1)
22
21
LS21
(S21)
21
22
52Y
(K1)
31
32
52Y
(K1)
A1
D2
88
(M1)
MOTOR
A1
A2
52SRC
(Y9)
CLOSE
13
14
LS41
(S41)
21
22
LS22
(S22)
13
14
LS13
(S13)
13
14
LS12
(S12)
13
14
LS9
(S9)
13
14
LS8
S8)
52a
(S1)
52b
(S1)
52a
(S1)
52b
(S1)
XO
(SD)
11
XO
(SD)
9
XO
(SD)
7
XO
(SD)
5
XO
(SD)
12
XO
(SD)
10
XO
(SD)
8
XO
(SD)
6
13
14
52a
(S1)
21
22
52b
(S1)
41
42
52b
(S1)
43
44
52a
(S1)
Not wired

Related product manuals