EasyManua.ls Logo

Siemens LFE10 - Dimensions and Base Details; Low Plug-in Base Dimensions

Siemens LFE10
15 pages
Print Icon
To Next Page IconTo Next Page
To Next Page IconTo Next Page
To Previous Page IconTo Previous Page
To Previous Page IconTo Previous Page
Loading...
44 ซ.บรมราชชนนี 70 ถ.บรมราชชนนี ศาลาธรรมสพน์ ทวีวฒนา กทม. 10170.
website: https://www.add-furnace.com/ โทร: 02-888-3472
Line ID: @add11 Wechat ID: add0883001122
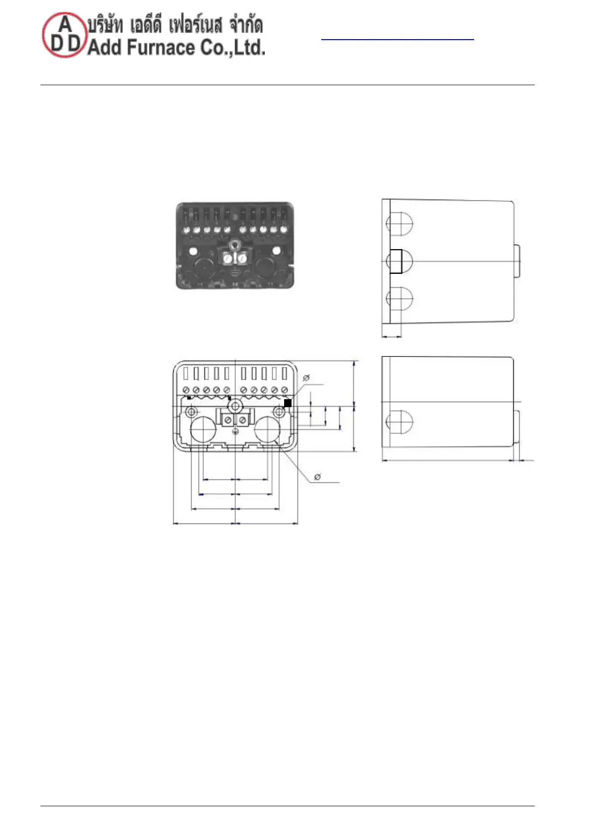
Dimensions
Dimensions in mm
Base versions
Low plug-in base,
Design features:
AGK 4 104 1345 0
10-pole (screw terminals), with additional earth terminals. Cable entry either through
the bottom of the base (2 knockout holes), the front, from the right or left side (total of 5
cable entries).
13
1
2
3
4
5
6
7
8
9 10
4,6
31
1
2
3
4
5
6
7
8
9 10
4
13
16
31
22
22
16,2
25
25
30
30
42,5
42,5
90
4
7781m02/1198
14/15
Building Technologies Division CC1N7781en
01.08.2016

Other manuals for Siemens LFE10

Related product manuals