EasyManua.ls Logo

Siemens OpenAir GDE141.1U - Actuator Components

Siemens OpenAir GDE141.1U
17 pages
To Next Page IconTo Next Page
To Next Page IconTo Next Page
To Previous Page IconTo Previous Page
To Previous Page IconTo Previous Page
Loading...
OpenAir® GDE Enhanced Non-Spring Return Rotary Electric Damper Actuator Technical Instructions
Document Number 155-784
October 20, 2016
Siemens Industry, Inc. Page 5
Actuator
Components
2-Position/
Floating
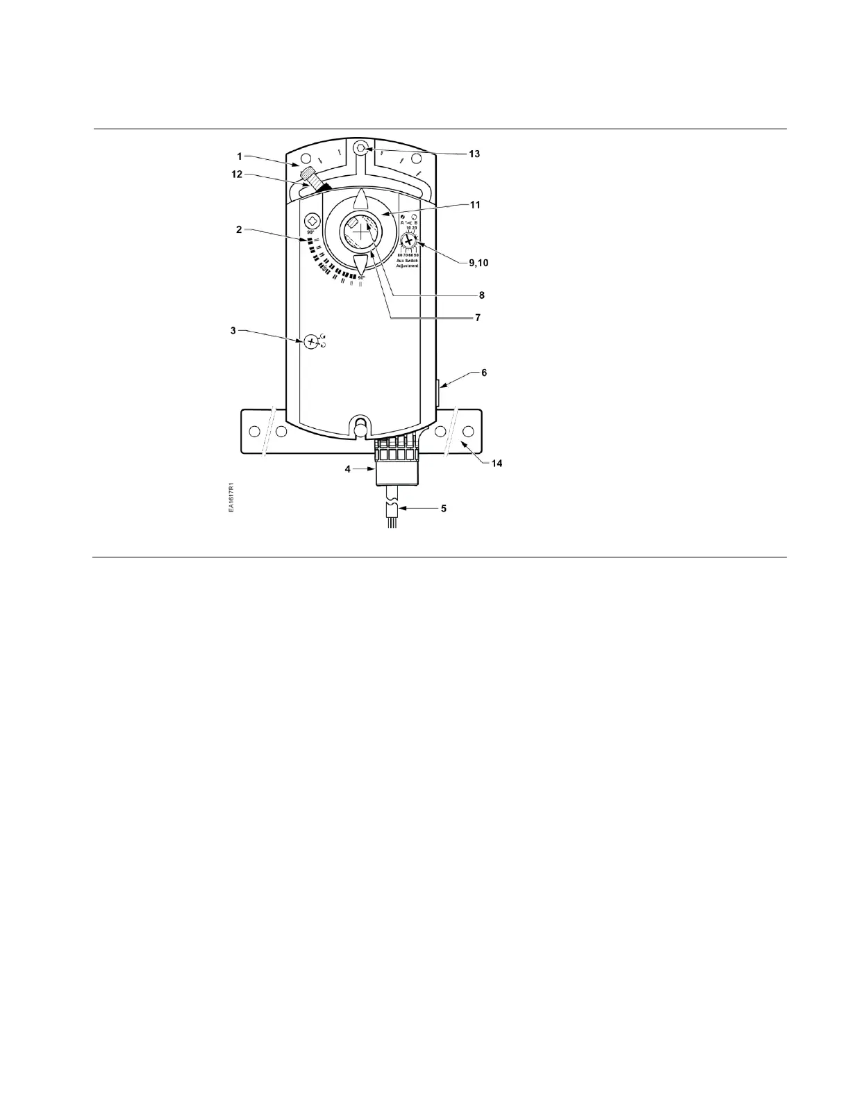
Figure 8. Parts of the Actuator.
Legend
1. Base plate
2. Positioning scale for angle of rotation
3. Rotation direction adjustment
4. Conduit adapter
5. Connection cable
6. Manual override
7. Coupling bushing
8. Factory-installed 1/2-inch guide
9. Auxiliary Switch A
10. Auxiliary Switch B
11. Position indicator
12. Adjustment lever with
locking screw (4 mm hex)
13. Set screw for mechanical
range stop (4 mm hex)
14. Mounting bracket

Related product manuals