EasyManua.ls Logo

Siemens SINUMERIK 840 - Page 180

Siemens SINUMERIK 840
291 pages
Print Icon
To Next Page IconTo Next Page
To Next Page IconTo Next Page
To Previous Page IconTo Previous Page
To Previous Page IconTo Previous Page
Loading...
07.90 5 Measuring Cycles for Milling Machines and Machining Centres
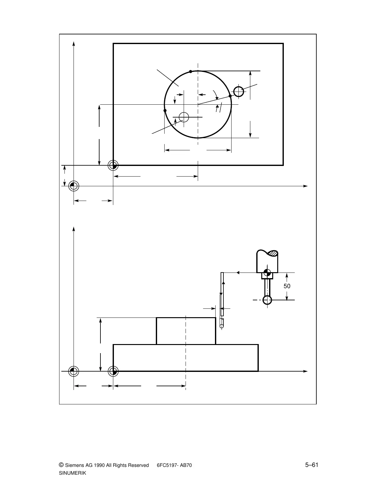
5.3.6 L979 ZO determination at shaft (at random angles)
Fig. 5.21 ZO determination at shaft
N30
P1
P2
R24
X
(R214)
X
(R213)
P3
Y
X
M
100
(Ordinate)
W
X
act
(R210)
30
Probe
Shaft
Y
act
(R211)
(Abscissa)
Actual
diameter
(R209)
R32
(Set diameter 130)
Set centre point
R28
N10
W
180
Z
X
M
100
(Applicate)
N15
100
F
a
a
a
a
a
a
a
a
a
a
a
a
a
a
a
a
a
a
a
a
a
a
a
a
a
a
a
a
a
a
a
a
a
a
a
a
a
a
a
a
a
a
a
a
a
a
a
a
a
a
a
a
a
a
a
a
a
a
a
a
a
a
a
a
a
a
a
a
a
a
a
a
50
© Siemens AG 1990 All Rights Reserved 6FC5197- AB70 5–61
SINUMERIK 840/850/880 (BN)

Table of Contents

Other manuals for Siemens SINUMERIK 840

Related product manuals