EasyManua.ls Logo

Silver King SKBF1 - 2 Wiring Diagram

Silver King SKBF1
15 pages
Print Icon
To Next Page IconTo Next Page
To Next Page IconTo Next Page
To Previous Page IconTo Previous Page
To Previous Page IconTo Previous Page
Loading...
- 9 -
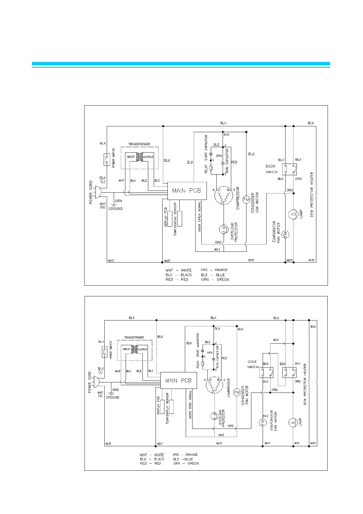
2. WIRING DIAGRAM
2-1. REFRIGERATOR
◇SKBR1
◇SKBR2

Other manuals for Silver King SKBF1

Related product manuals