EasyManua.ls Logo

SIMAG SC 30 - Page 11

Default Icon
39 pages
Print Icon
To Next Page IconTo Next Page
To Next Page IconTo Next Page
To Previous Page IconTo Previous Page
To Previous Page IconTo Previous Page
Loading...
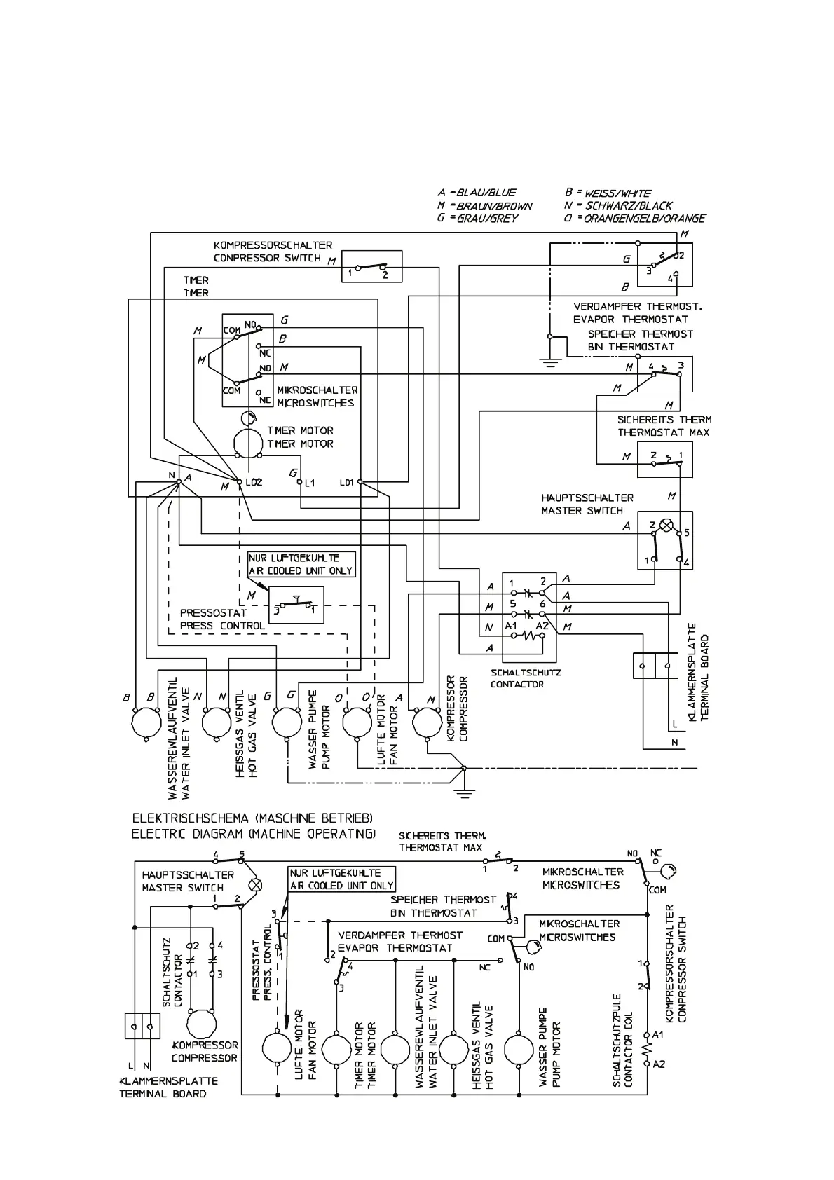
WIRING DIAGRAM - SCHALTUNGSSCHEMA
230/50/1
AIR & WATER COOLED - LUFT UND WASSERGEKÜHLT
SC 120 - SC 210
L

Related product manuals