EasyManua.ls Logo

SIMAG SC 30 - Page 9

Default Icon
39 pages
Print Icon
To Next Page IconTo Next Page
To Next Page IconTo Next Page
To Previous Page IconTo Previous Page
To Previous Page IconTo Previous Page
Loading...
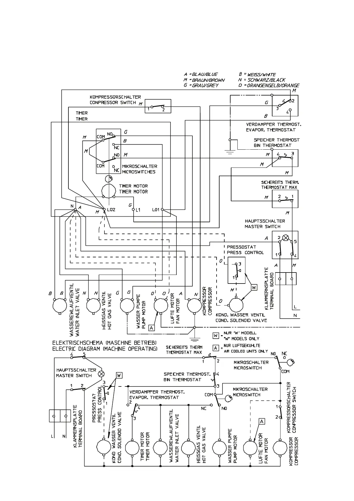
WIRING DIAGRAM - SCHALTUNGSSCHEMA
230/50/1
WATER COOLED - WASSERGEKÜHLT
SC 40
H

Related product manuals