EasyManua.ls Logo

SIMAG SCE 20 - Page 9

SIMAG SCE 20
55 pages
Print Icon
To Next Page IconTo Next Page
To Next Page IconTo Next Page
To Previous Page IconTo Previous Page
To Previous Page IconTo Previous Page
Loading...
g)
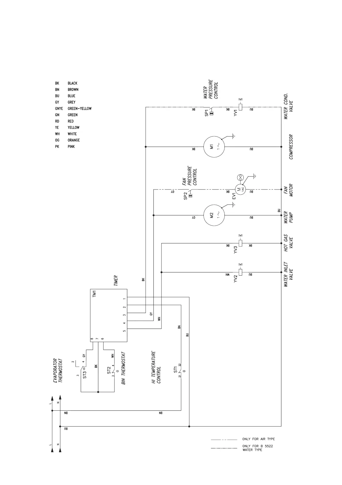
WIRING DIAGRAM - SCHEMA ELETTRICO - SCHÉMA ÉLECTRIQUE - SCHALTUNGSSCHEMA
ELECTRONIC TIMER VERSION - VERSIONE CON TIMER ELETTRONICO
230/50-60/1
SCE 65 - 105

Related product manuals