EasyManua.ls Logo

SIMAG SCN 35 - Page 10

Default Icon
38 pages
Print Icon
To Next Page IconTo Next Page
To Next Page IconTo Next Page
To Previous Page IconTo Previous Page
To Previous Page IconTo Previous Page
Loading...
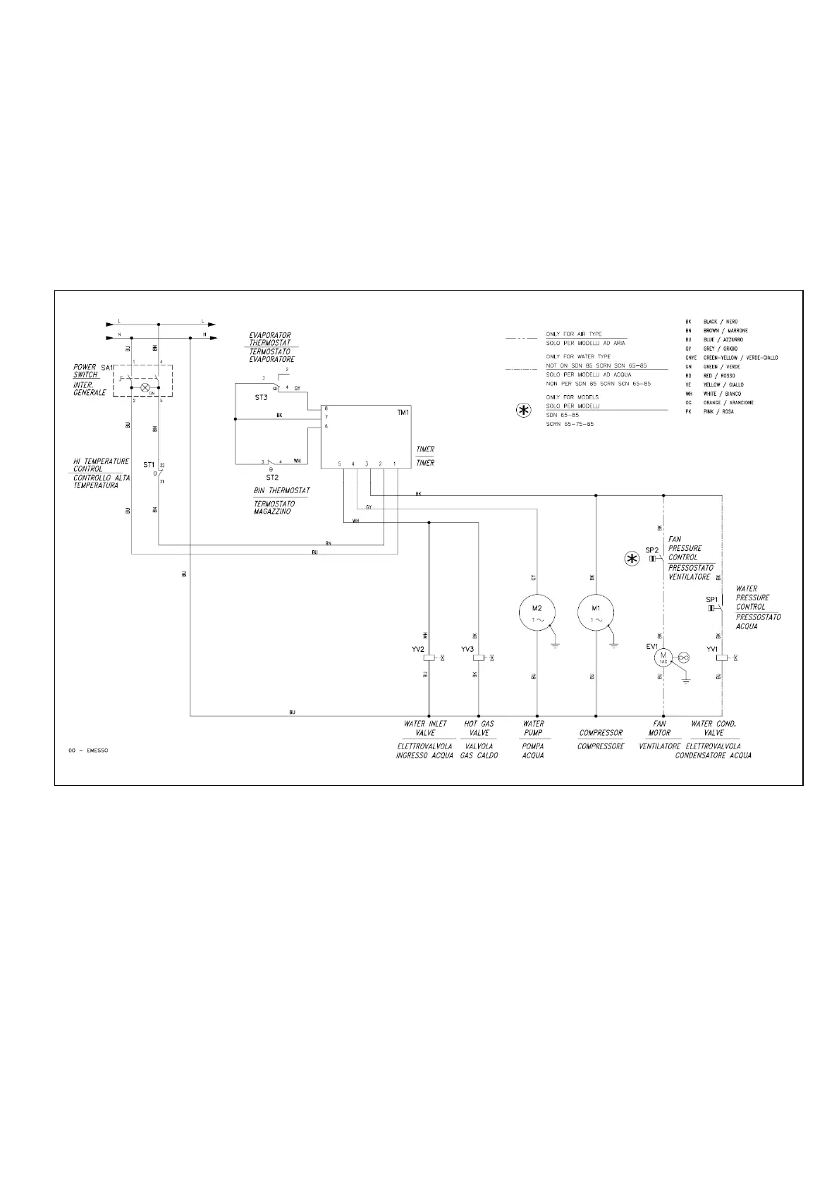
WIRING DIAGRAM - SCHALTUNGSSCHEMA
230/50/1
AIR & WATER COOLED - LUFT UND WASSERGEKÜHLT
SCN 35-45-75

Related product manuals