EasyManua.ls Logo

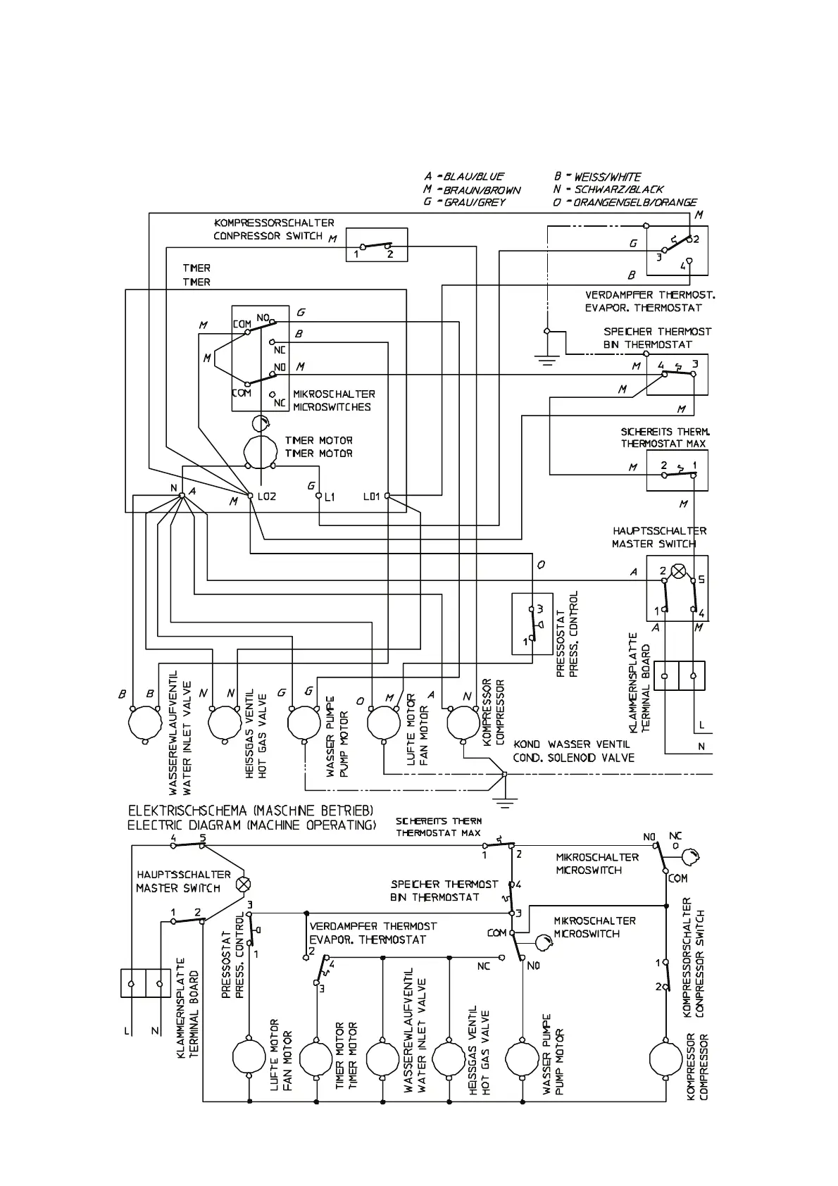
SIMAG SD 22 - Wiring Diagrams - SD 60; Air Cooled Wiring Diagram

SIMAG SD 22
39 pages
Print Icon
To Next Page IconTo Next Page
To Next Page IconTo Next Page
To Previous Page IconTo Previous Page
To Previous Page IconTo Previous Page
Loading...
WIRING DIAGRAM - SCHALTUNGSSCHEMA
230/50/1
AIR COOLED - LUFTGEKÜHLT
SD 60
G

Related product manuals